EasyManua.ls Logo

Kohler KS530 - Electrical System; Wiring Diagram - Charging System with Fuel Relay

Kohler KS530
92 pages
Print Icon
To Next Page IconTo Next Page
To Next Page IconTo Next Page
To Previous Page IconTo Previous Page
To Previous Page IconTo Previous Page
Loading...
45
Electrical System
22 690 01 Rev. -- KohlerEngines.com
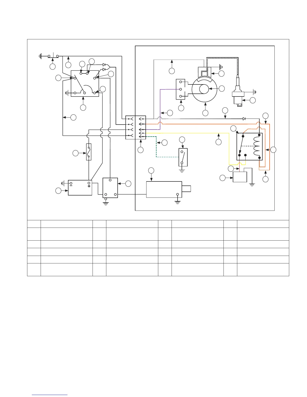
Wiring Diagram-12/15 Amp Regulated Battery Charging System with Fuel Relay
_
+
A
H
D
Q
R
J
M
O
K
P
E
C
S
N
T
D
F
I
J
S
O
Q
B
AC
AC
B+
X
W
G
U
V
L
V
V
A Red B Green C Violet D White
E Spark Plug F Fuel Shut-off Solenoid G
Optional Oil Sentry
Switch (Indicator)
H Bendix Starter
I Engine Connector J Starter Solenoid K Ground-To-Kill Lead L Key Switch
M Optional Oil Sentry
N Optional Fuse O Battery P Rectifi er-Regulator
Q Flywheel R Stator S Ignition Module T Accessory
U Fuel Shut-off Relay V Orange W Yellow X
Equipment Safety
Circuit

Table of Contents

Related product manuals