EasyManua.ls Logo

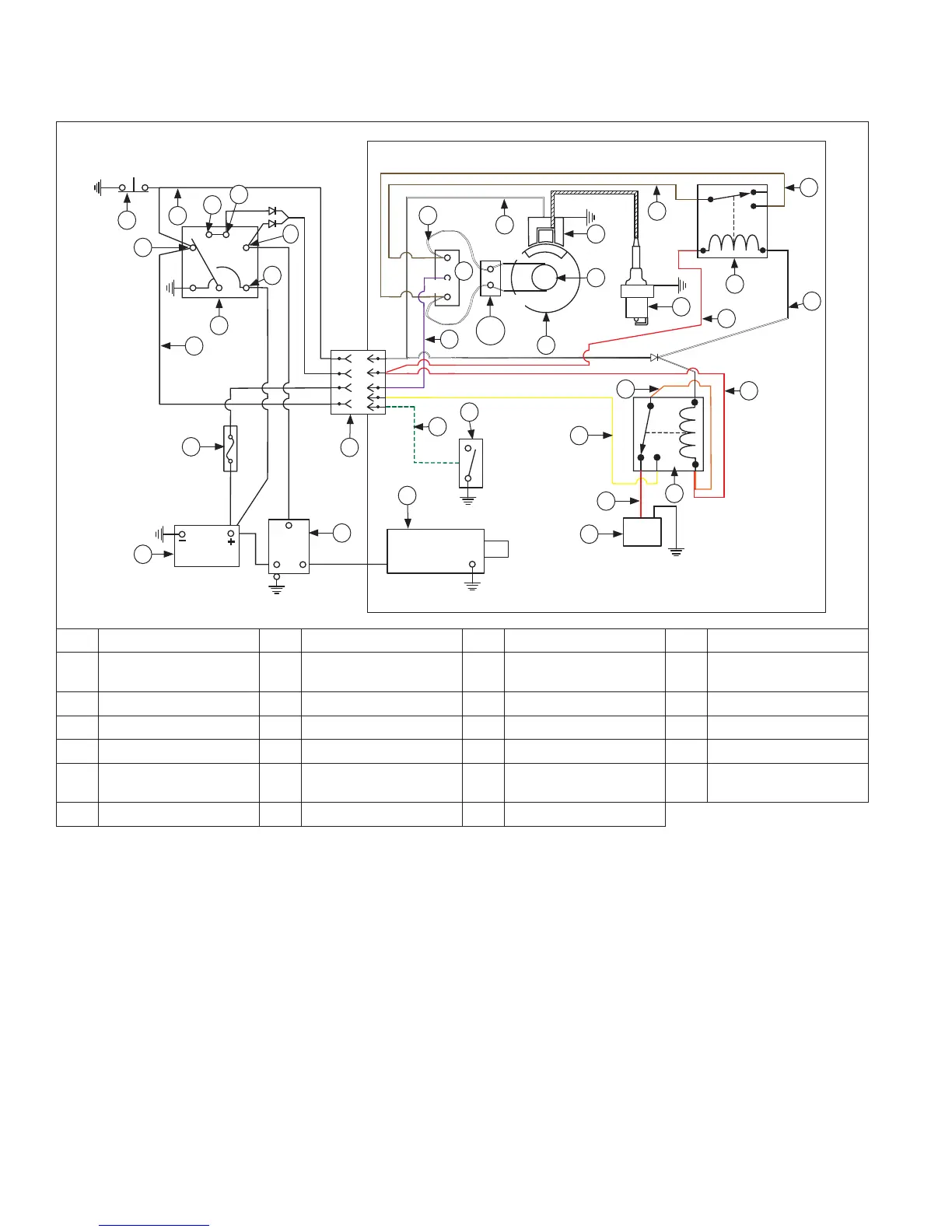
Kohler KS530 - Electrical System; Wiring Diagram - Charging System with Fuel & Stator Brake Relays

Kohler KS530
92 pages
Print Icon
To Next Page IconTo Next Page
To Next Page IconTo Next Page
To Previous Page IconTo Previous Page
To Previous Page IconTo Previous Page
Loading...
46
Electrical System
KohlerEngines.com 22 690 01 Rev. --
Wiring Diagram-12/15 Amp Regulated Battery Charging System with Fuel Relay and Stator Brake Relay
_
+
H
R
S
J
M
O
K
D
E
T
N
T
D
F
I
J
S
O
P
B
AC
AC
B+
X
U
G
A
B
L
C
A
AA
Y
A
W
V
Z
Z
P
A Red B Green C Violet D White
E Spark Plug F Fuel Shut-off Solenoid G
Optional Oil Sentry
Switch (Indicator)
H Bendix Starter
I Engine Connector J Starter Solenoid K Ground-To-Kill Lead L Key Switch
M Optional Oil Sentry
N Optional Fuse O Battery P Rectifi er-Regulator
Q Flywheel R Stator S Ignition Module T Accessory
U Fuel Shut-off Relay V Orange W Yellow X
Equipment Safety
Circuit
Y Stator Brake Relay Z Brown AA Stator Connector

Table of Contents

Related product manuals