EasyManua.ls Logo

Kold-Draft GT36 Series - WIRING DIAGRAMS; GT36 X, GT56 X, GB56 X

Kold-Draft GT36 Series
85 pages
Print Icon
To Next Page IconTo Next Page
To Next Page IconTo Next Page
To Previous Page IconTo Previous Page
To Previous Page IconTo Previous Page
Loading...
30
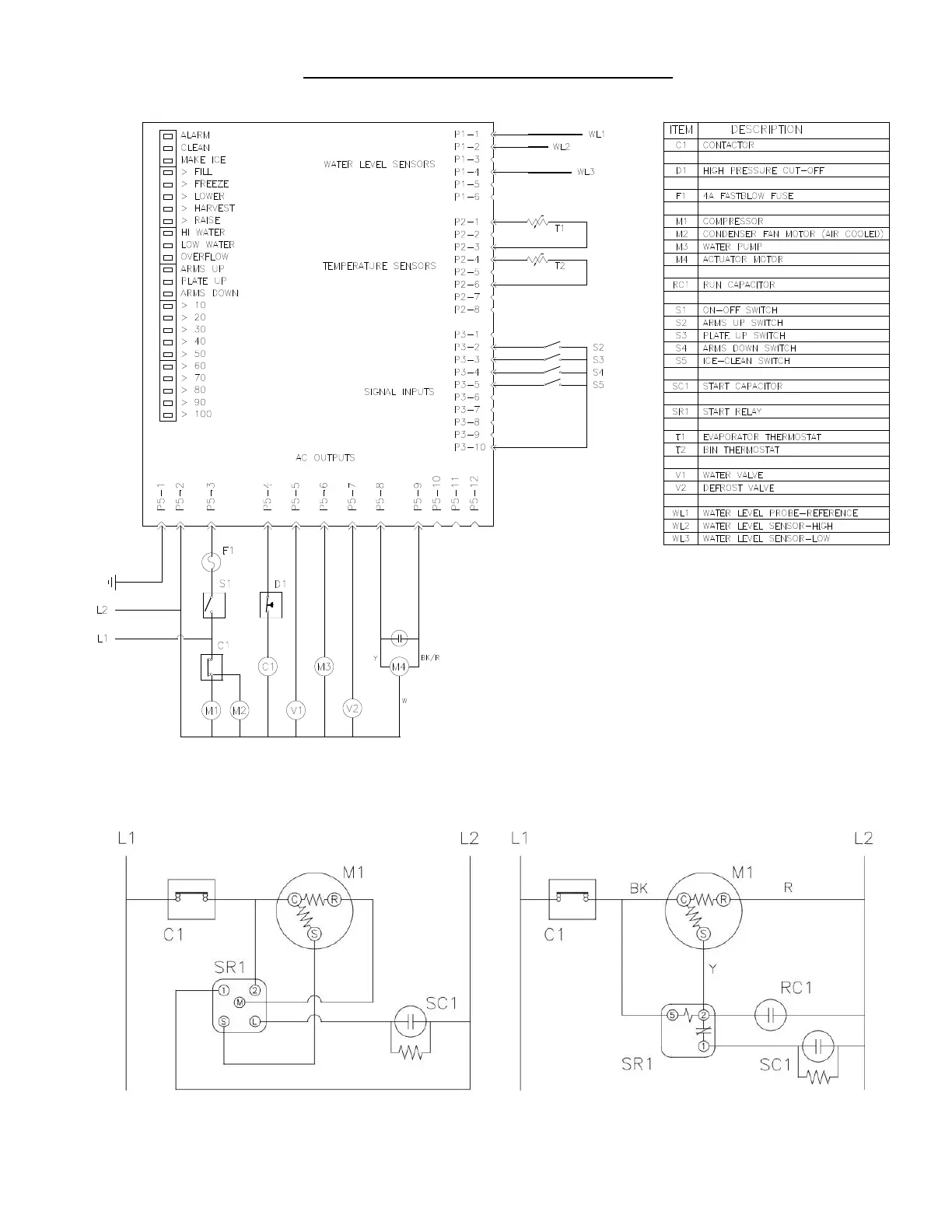
GT36X, GT56X, GB56X WIRING DIAGRAM
Compressor Wiring
GT361 Models Only
GT36x, GT56x, GB56x

Table of Contents

Other manuals for Kold-Draft GT36 Series

Related product manuals