EasyManua.ls Logo

KPM KB2 - 1 Description; System Components

KPM KB2
35 pages
Print Icon
To Next Page IconTo Next Page
To Next Page IconTo Next Page
To Previous Page IconTo Previous Page
To Previous Page IconTo Previous Page
Loading...
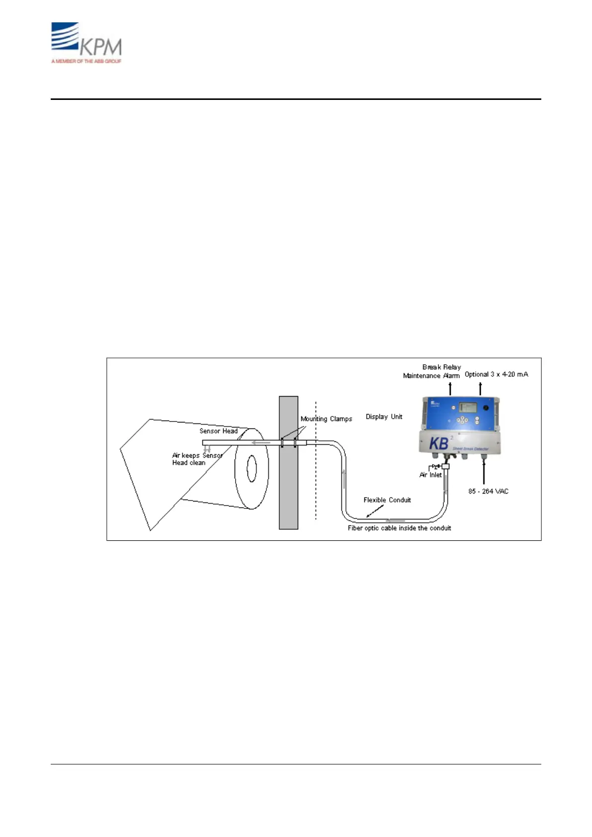
1. Description
1.1. System components
KB fiber-optic sheet break detection system contains:
Sensor head installed above or under the web.
Fiber-optic cable protected with a flexible conduit.
Display unit housing the light source, detector, and the measurement computer.
KB from KPM is a solution to high temperature sheet break applications. The light source, detector,
and electronics are isolated from the high temperature environment by a 6 m (20'), 9 m (30') or 12
m (40') fiber-optic cable. While the sensor head is exposed to high temperatures, the electronics is
mounted in a less hostile environment.
Sensor head "eye" holes are kept clean by purging instrument air through the sensor housing. Flowing
air keeps the eyelet holes clean and prevents dirt or steam from contaminating the active optic surfaces.
Purging air helps also to keep the sensor head temperature lower in high temperature applications.
KB requires clean instrument air at 0.5 – 3.0 bar (7 - 40 psi), the rotameter or pressure regulator can
be used for the easy detection of airflow.
Fig. 1.1. KB system components. Fiber-optic cable can be 6, 9 or 12 m long.
KB² Man W41100099V1.23August 2012