EasyManua.ls Logo

Kubota DF972-E2 - Df Carburetor (Df972-E2

Kubota DF972-E2
138 pages
Print Icon
To Next Page IconTo Next Page
To Next Page IconTo Next Page
To Previous Page IconTo Previous Page
To Previous Page IconTo Previous Page
Loading...
M-16
WG972-E2, DF972-E2, WSM
GASOLINE / LPG ENGINE
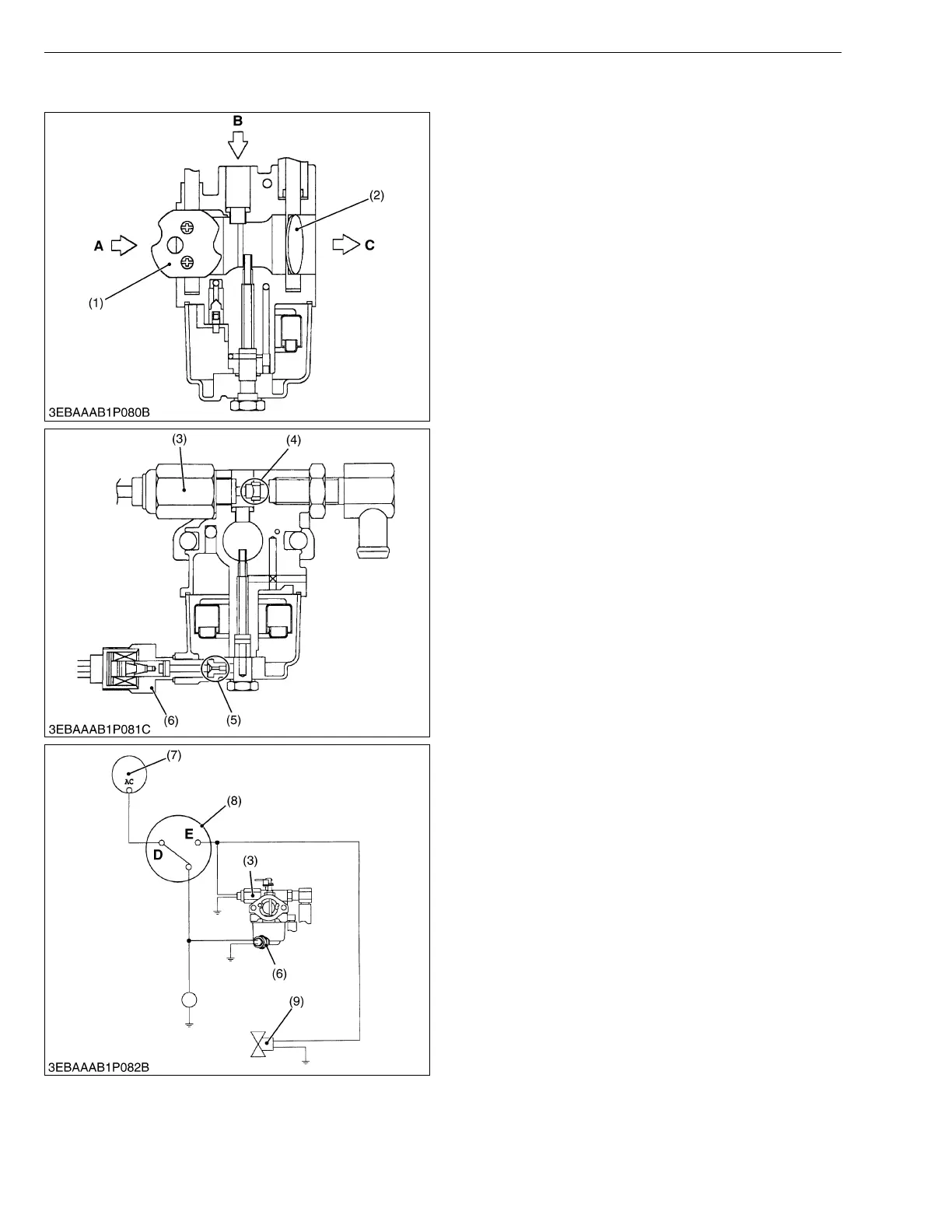
[3] DF CARBURETOR (DF972-E2)
NOTE
•DF Carburetor operates the same as a gasoline
carburetor in gasoline fuel.
With the fuel select switch (8) in the "GASOLINE"
position (D) and the main switch in the "ON" position, the
battery current flows to the gasoline cut off solenoid (6).
Therefore gasoline fuel in the float chamber flows to the
mixing chamber.
When the fuel select switch (8) is turned to the "LPG"
position (E), the battery current stops to the gasoline cut
off solenoid (6) and flows to the LPG cut off solenoid (3)
and LPG shut off solenoid valve (9).
Then, the gasoline fuel flow is shut and LPG fuel flows
to the mixing chamber.
The mixer meters both fuel and air, and procedures
an air / fuel mixture that has the proper ratio as required
by the engine.
When the engine starts, the LPG furl flows out from
main jet (4) to venture a constant amount and is mixed
with air quantity corresponding to the opening of the
throttle valve (1) and is supplied to the cylinder.
When the main switch (7) turned to the "OFF"
position, the battery current stops to the both of
solenoids.
Then, both gasoline fuel and LPG fuel can not flow to
the mixing chamber.
W1013830
(1) Choke Valve
(2) Throttle Valve
(3) LPG Cut Off Solenoid
(4) LPG Main Jet
(5) Gasoline Main Jet
(6) Gasoline Cut Off Solenoid
(7) Main Switch
(8) Fuel Select Switch
(9) LPG Shut Off Solenoid Valve
A : Air
B : LPG Fuel (gaseous)
C : Mixture (Air / Fuel)
D : Gasoline Position
E : LPG Position
KiSC issued 01, 2006 A

Table of Contents

Related product manuals