EasyManua.ls Logo

Lamborghini Caloreclima EM 9-E - Posición de Los Electrodos

Lamborghini Caloreclima EM 9-E
Print Icon
To Next Page IconTo Next Page
To Next Page IconTo Next Page
To Previous Page IconTo Previous Page
To Previous Page IconTo Previous Page
Loading...
85
ES
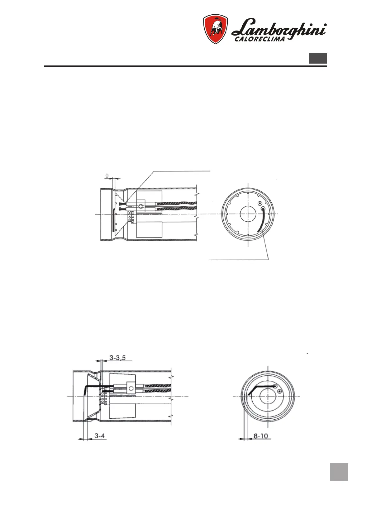
POSICIÓN DE LOS ELECTRODOS
Es conveniente comprobar la correcta posición después de cada intervención en la cabeza
de combustión.
Para colocarlos, hay que observar la gura de abajo, respetando las indicaciones.
ATENCIÓN: los electrodos de encendido y de control no tienen que tocar por ningún
motivo el deector, el cañon u otras partes metálicas. Si las tocaran, perderían su fun-
ción, comprometiendo el funcionamiento del quemador.
M
EM 3 -E EM 6 - E
EM 9 -E
Electrodo de acendido
Electrodo de control

Table of Contents

Related product manuals