EasyManua.ls Logo

Lathem PC700 - Page 40

Lathem PC700
52 pages
Print Icon
To Next Page IconTo Next Page
To Next Page IconTo Next Page
To Previous Page IconTo Previous Page
To Previous Page IconTo Previous Page
Loading...
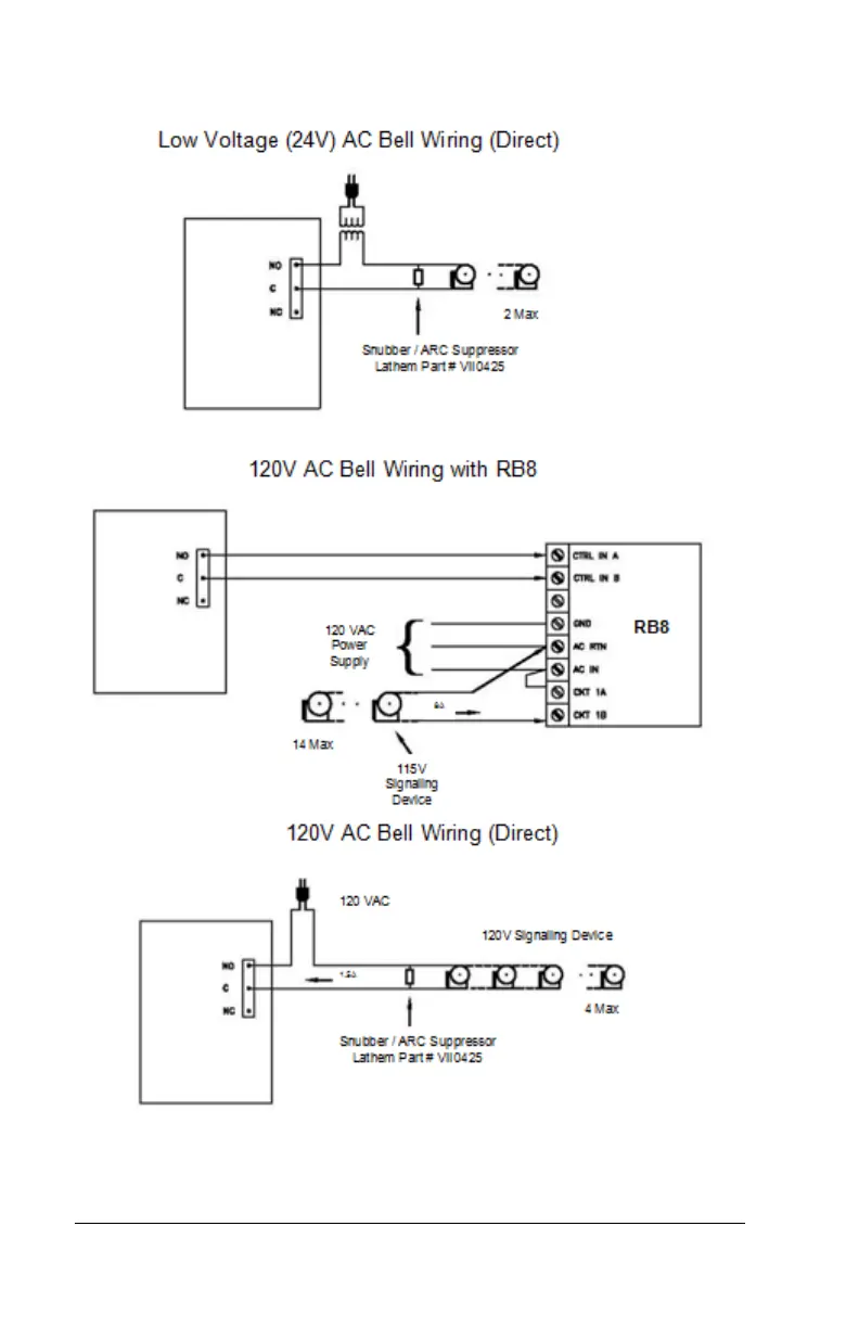
36 Appendix B - Bell Relay Connections
PC700
PC700

Table of Contents

Related product manuals