EasyManua.ls Logo

Leadshine DMA882S - 10 Sequence Chart of Control Signals

Leadshine DMA882S
16 pages
Print Icon
To Next Page IconTo Next Page
To Next Page IconTo Next Page
To Previous Page IconTo Previous Page
To Previous Page IconTo Previous Page
Loading...
DMA882S Digital Stepper Drive User Manual
Page | 10
AC
A+
A-
AC
1
5
6
Power &
Motor Connector
Controller
Control Signal
Connector
4
PUL+
1
DIR+ 3
PUL-
DIR-
2
4
ENA+ 5
ENA-
6
5-24VDC
Step
Direction
Enable
Fault
5-24VDC
ALM+
1
2
ALM-
Status Signal
Connector
36-70VAC or 50-90VDC recommended,
leaving rooms for voltage fluctuation and
back EMF of the motor
2
3
B+
B-
DMA882S
Stepper
Motor
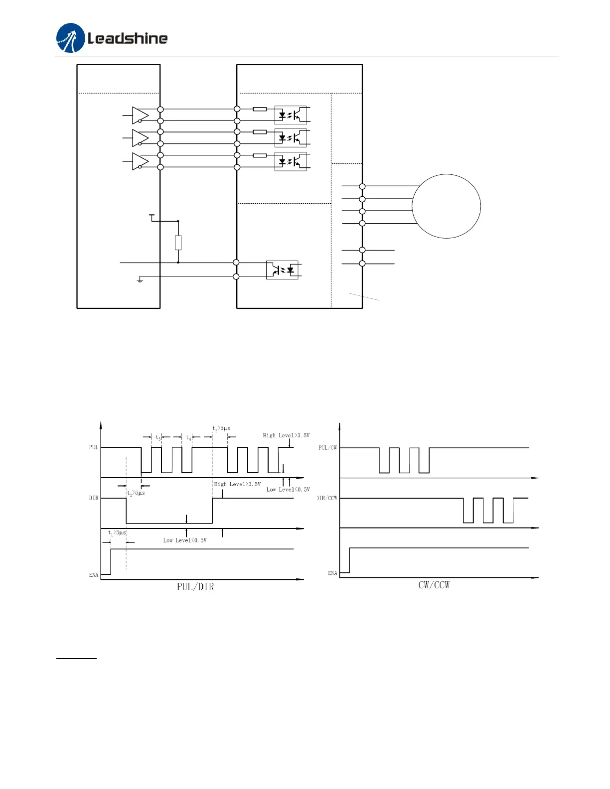
Figure 10: Typical connection
10. Sequence Chart of Control Signals
In order to avoid some fault operations and deviations, PUL, DIR and ENA should abide by some rules, shown as
following diagram:
Figure 11: Sequence chart of control signals
Remark:
a) t1: ENA must be ahead of DIR by at least 5s. Usually, ENA+ and ENA- are NC (not connected). See
“Connector P1 Configurations” for more information.
b) t2: DIR must be ahead of PUL effective edge by 5s to ensure correct direction;
c) t3: Pulse width not less than 2.5s;
d) t4: Low level width not less than 2.5s.

Related product manuals