EasyManua.ls Logo

LEHNER SuperVario - Distribution Box Reference List

LEHNER SuperVario
85 pages
Print Icon
To Next Page IconTo Next Page
To Next Page IconTo Next Page
To Previous Page IconTo Previous Page
To Previous Page IconTo Previous Page
Loading...
Operating instructions
Appendix
36
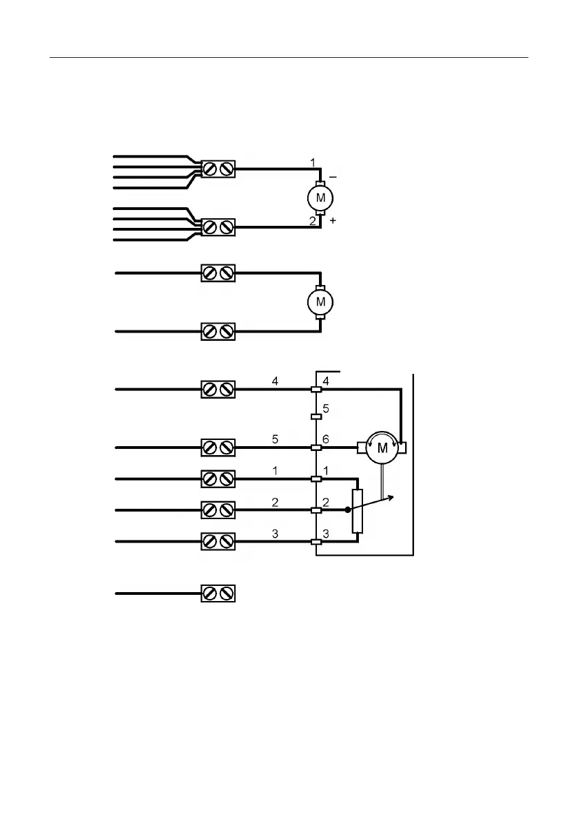
6.3 Distribution box reference list
white
brown
green
yellow
red
grey
pink
blue
black
violet
grey/pink
red/blue
brown/green
white/yellow
yellow/brown
white/green
Spreading disc motor
Agitator motor
Slide motor
red
blue
Control cable Junction box

Related product manuals