EasyManua.ls Logo

Lenze 4800 - Page 129

Lenze 4800
342 pages
Print Icon
To Next Page IconTo Next Page
To Next Page IconTo Next Page
To Previous Page IconTo Previous Page
To Previous Page IconTo Previous Page
Loading...
Configuration
7-38
48XX/49XXSHB0399
4900Str040
-
+
2
1
C 047
C 050
+
C 051
40
42
43
41
+
C 145/C 146
C 025/C 027
3
4
±180 V
C27 C28
C 25/C 26
Enc.
const.
C 025/C 027
-
AB
QSP
C 070 V
C 071 T
C 072 K
pn
nn
dn
C 056
max
C 063
C 022, C 023
C310
C311
C312
C313
C314
C 025/C 026
C 025/C 026
C 025/C 027
C 145/C 146
++
C 148
C 149
C 146/C 147
C 146/C 147
C 198
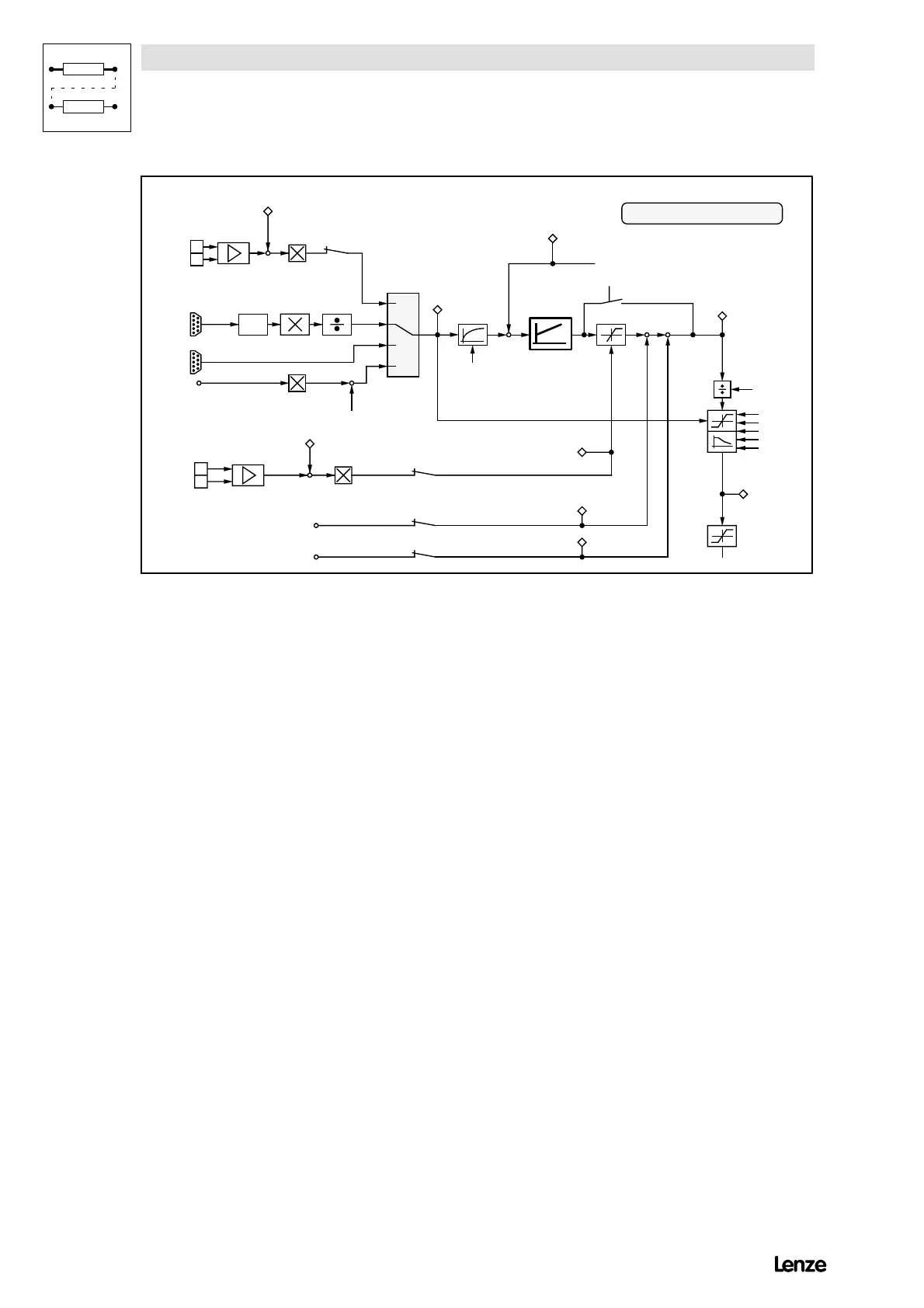
C onfiguration C 005 = -4x-
max
set
n a t n -c o n tro lle r
in % o f n
n
act
o ffs e t
n
Tacho
Increm ental
encoder
Resolver
I
act
V
A rm a tu re v o lta g e
C 232
I · R - com pensation
0 V = no torque
10 V = m ax. torque
External torque lim it
C 005 C onfiguration
M in %
o f M
set
I
set
I
max
I
Fact
Add. torque setpoint 1
Add. tor
q
ue set
p
oint 2
speed-dependent
c u r r e n t lim ita tio n
n-controller
FIG 7-13 Signal-flow chart (section) for torque control with speed limitation (C005= -4X-)
Show/Hide Bookmarks

Table of Contents

Related product manuals