EasyManua.ls Logo

Lenze 4800 - Page 45

Lenze 4800
342 pages
Print Icon
To Next Page IconTo Next Page
To Next Page IconTo Next Page
To Previous Page IconTo Previous Page
To Previous Page IconTo Previous Page
Loading...
Installation
4-7
48XX/49XXSHB0399
4900Str128
Z1
K1
F '1 ...F '3
L
K
F ''1 ...F ''3
L1 L2 L3
L1 L2 L3
L'1 L'2 L'3
L1 L2 L3
PE B
F'4
M
M1
A
I
K
A
B
S1 S2
J
I
K
L1.2 L2.2 L3.2
PE
L2.3L1.3
FF32A
600V
4908LP
4902VP
F4
F3
M 0,5A 500V
F1 F2
BR5
BR3
BR4
PE
V
mains
= 3 4 0 ... 460 V ~ ±0 % 50 ... 6 0 H z
F5
F6
FF16A 500V
F7
L3.1L1.1
M
~
95
96
V = 200...240 V~ 50...6 0 H z
0,6A
L
K2
L
K2
F''5F''4
Z2
L1 N
L1 N
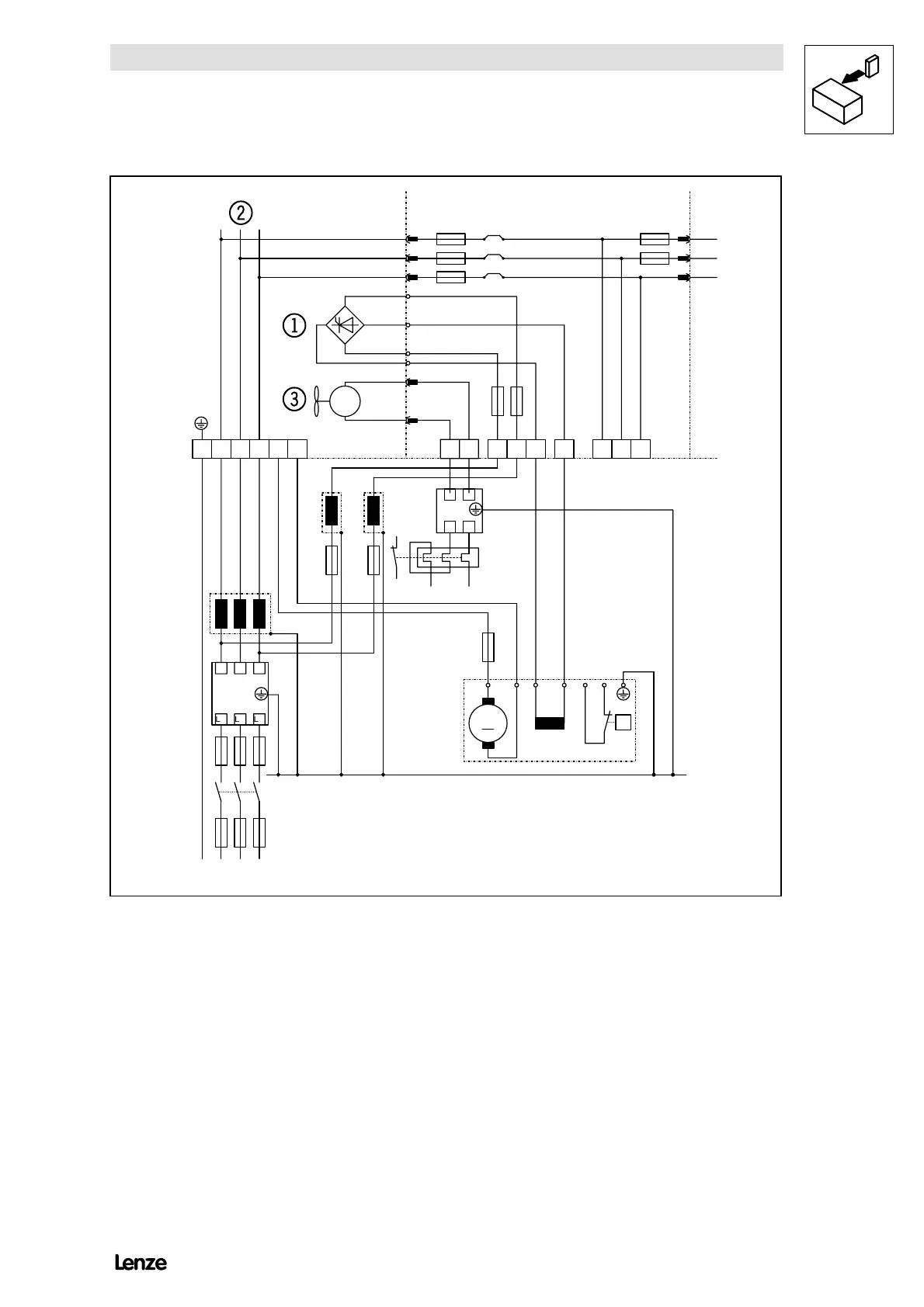
FIG 4-4 Power connection of controllers 4X08 to 4X09
K1 Mains contactor
F1...F4 Semiconductor fuses for the protection of controllers
F’’1...F’’5 Line protection fuses
L
K
Commutating choke (mains choke)
Z1 RFI filter
Z2 RFI filter for separate fan supply
BR3 - BR5 0W wire bridge
¥
Field controller
¦
Power stage
§
Fan
Show/Hide Bookmarks

Table of Contents

Related product manuals