EasyManua.ls Logo

Lenze 4800 - Page 48

Lenze 4800
342 pages
Print Icon
To Next Page IconTo Next Page
To Next Page IconTo Next Page
To Previous Page IconTo Previous Page
To Previous Page IconTo Previous Page
Loading...
Installation
4-10
48XX/49XXSHB0399
Z1
K1
F1...F3
L
K
F’’1...F’’3
L1 L2 L3
L1 L2 L3
L1L2L3
L1 L2 L3PE B
F4
M
M1
A
IKAB S1 S2
J
IK L1.2 L2.2 L3.2
PE
L3.1L1.1
FF16A
500V
4902/3/5LP 4902VP
F4
F3
M0,5A 500V
F1 F2
BR1
BR2
BR5
BR3
BR4
PE
V
mains
= 340 ... 460 V~ 0% 50 ... 60 Hz
L
K2
L
K2
F’’4F’’5
4900Str006
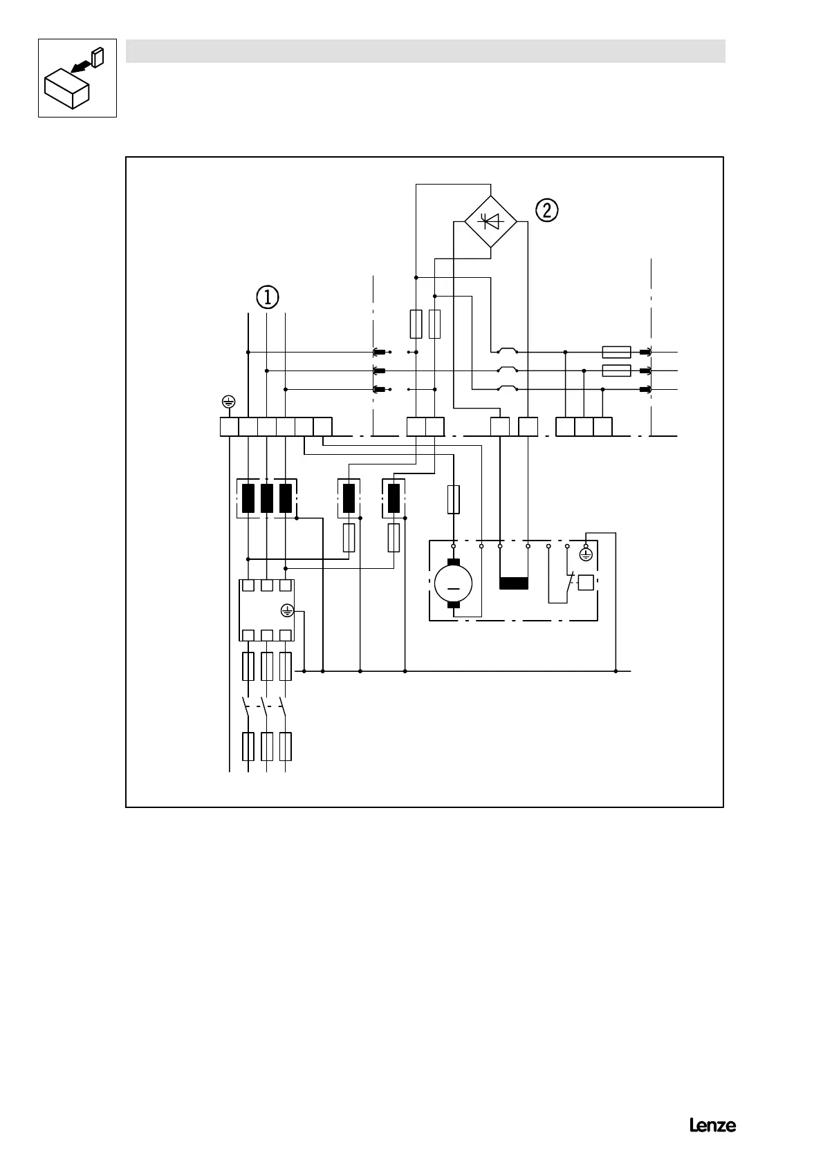
FIG 4-6 Power connection for controllers 4902 to 4907
K1 Mains contactor
F1...F4 Semiconductor fuses for controller protection
F’’1...F’’5 Line protection fuses
L
K
Commutating choke (mains choke)
Z1 RFI filter
BR3 - BR5 0W wire bridge
¥
Power stage
¦
Field controller
Show/Hide Bookmarks

Table of Contents

Related product manuals