EasyManua.ls Logo

Lenze 9300 - System Bus (CAN-OUT)

Lenze 9300
524 pages
Print Icon
To Next Page IconTo Next Page
To Next Page IconTo Next Page
To Previous Page IconTo Previous Page
To Previous Page IconTo Previous Page
Loading...
Function block library
7-58
SHB9300CRV EN 2.0
7.6.14 System bus (CAN-OUT)
Purpose
Interface for output signals from the system bus for setpoints and actual values as binary, analog,
or phase information.
(
&
7-51)
CAN-OUT1
The process data object CAN-OUT1 is provided for the cyclic transmission of process data and the
communication with a superimposed master.
CAN-OUT1
Status w ord
Bit 0
Bit 15
Bit 0
Bit 31
B y te 7 ,8
B y te 5 ,6
System bus
term inals
X4
B y te 3 ,4
1
0
2
C 0865/1
1
0
2
C 0864/1
CAN-OUT1.D1
16 Bit
Low W ord
16 Bit
H igh W ord
C 0861/1
16 Bit
Low W ord
16 Bit
H igh W ord
C 0869/1
FDO -0
CAN-OUT1.W 1
C 0860/1
C 0868/1
FDO -15
...
CAN-OUT1.W 2
C 0860/2
CAN-OUT1.W 3
C 0860/3
C 0868/2
C 0868/3
STAT.B0
DCTRL-IM P
...
STAT.B15
STAT.B14
16 Bit
FDO
C 0116/1
C 0116/16
FDO -16
FDO -31
...
C 0116/17
C 0116/32
Bit 0
Bit 15
C 0156/1
STAT
C 0156/6
C 0156/7
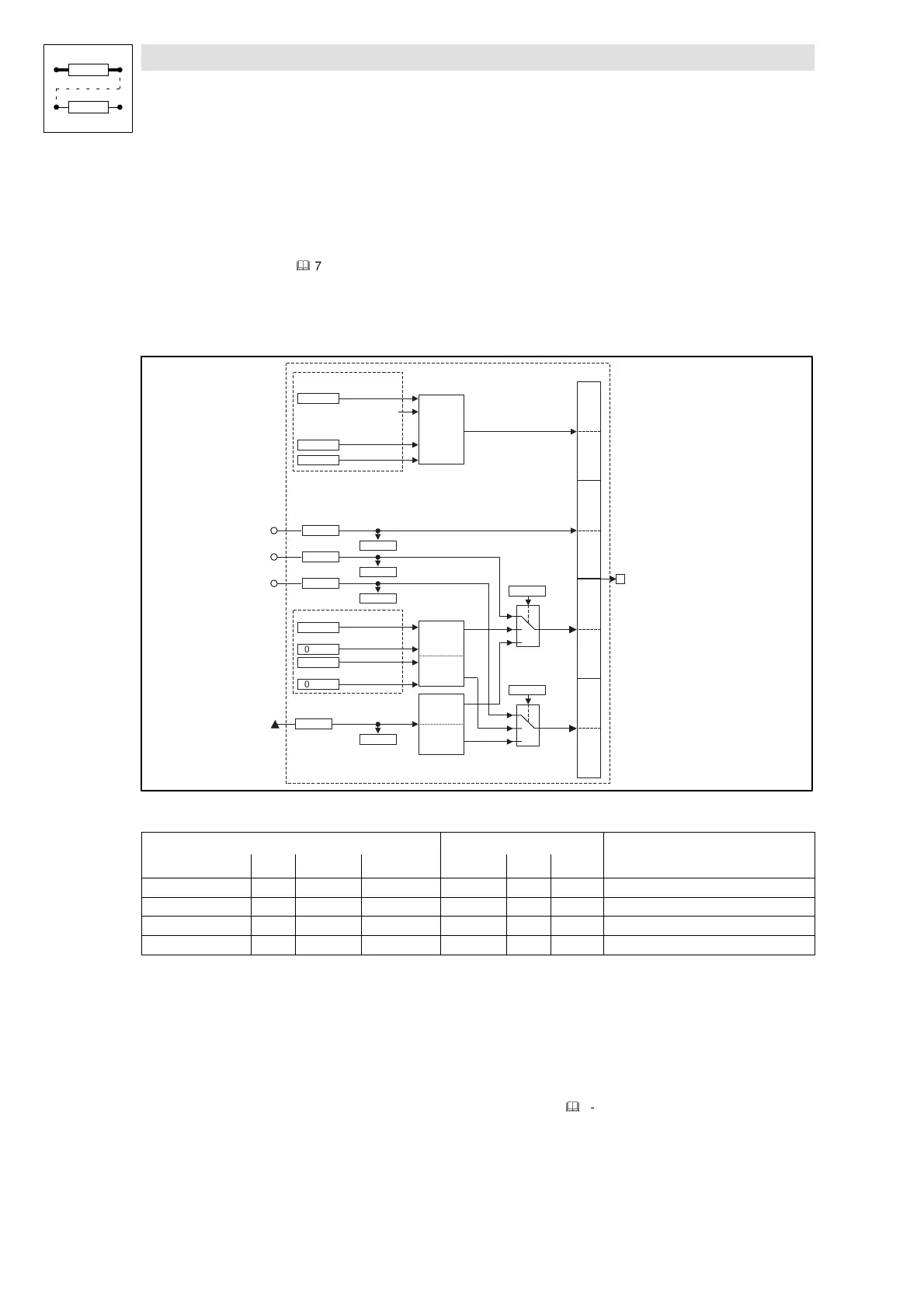
Fig. 7-47 System bus (CAN-OUT1)
Signal
Source Note
Name Type DIS DIS format CFG List Lenze
CAN-OUT1.W1 a C0868/1 dec [%] C0860/1 1 1000 +100 % = +16384
CAN-OUT1.W2 a C0868/2 dec [%] C0860/2 1 1000 +100 % = +16384
CAN-OUT1.W3 a C0868/3 dec [%] C0860/3 1 1000 +100 % = +16384
CAN-OUT1.D1 ph C0869/1 dec [inc] C0861/1 4 1000 1 revolution = 65536
Function
The input signals of this function block are copied to the 8 byte user data of CAN object 1 and laid
on the system bus. The meaning of the user data can be determined very easily with C0864/1 and
C0865/1 and the corresponding configuration code (CFG).
Byte 1 and 2
Here, the status word of the function block STAT is mapped.
(
&
7-214)
Some of the bits are freely assignable.
Byte 3 and 4
Here, the analog signal configured at the input CAN-OUT1.W1 is mapped.
Show/Hide Bookmarks

Table of Contents

Other manuals for Lenze 9300

Related product manuals