EasyManua.ls Logo

Lenze 9300 - Page 508

Lenze 9300
524 pages
Print Icon
To Next Page IconTo Next Page
To Next Page IconTo Next Page
To Previous Page IconTo Previous Page
To Previous Page IconTo Previous Page
Loading...
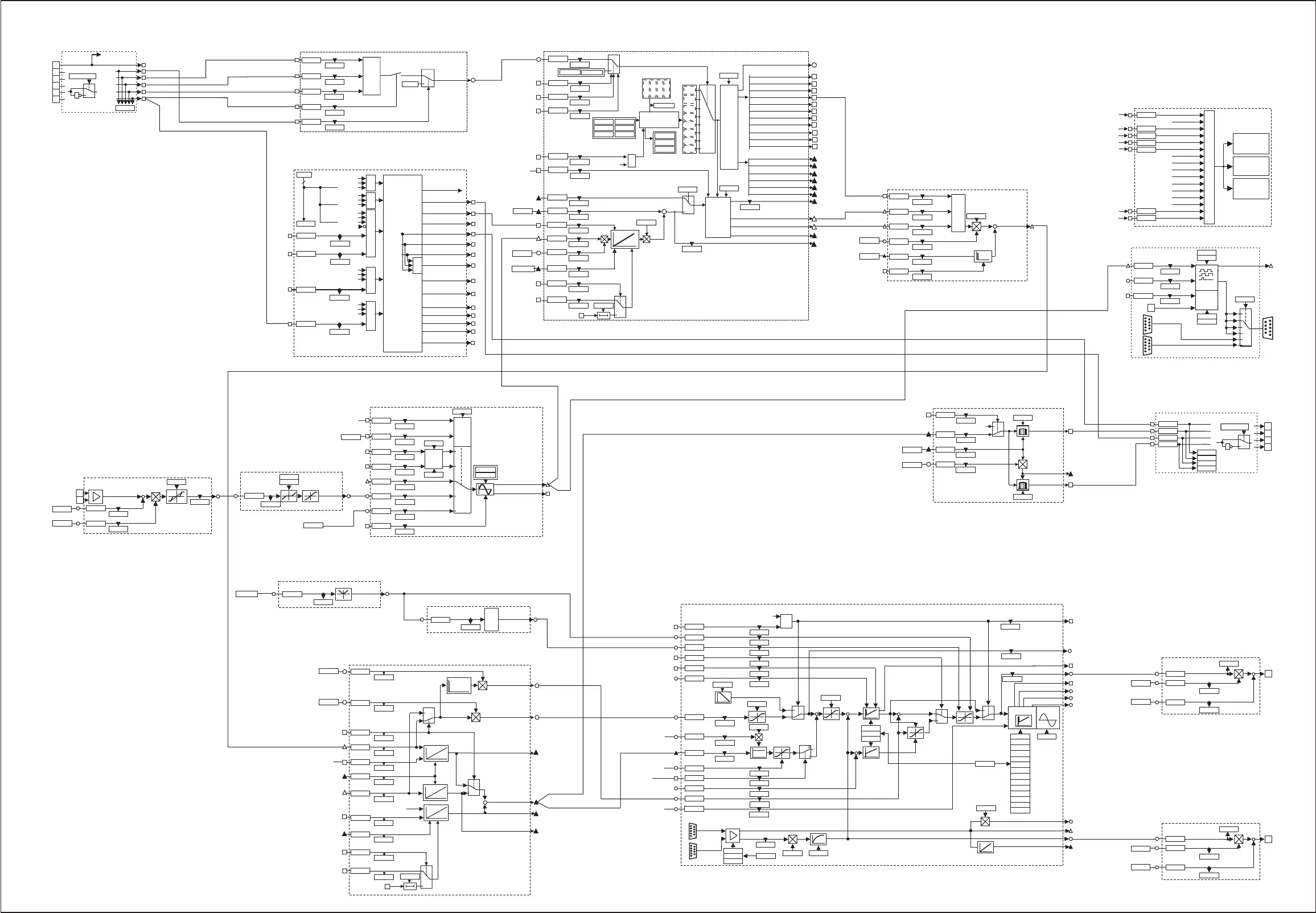
ANEG1
∗(−1)
ANEG 1-O UT
ANEG 1-IN
C 0701
C 0700
62
AOUT1
C 434/1
+
+
AOUT1-IN
AOUT1-G AIN
AOUT1-O FFSET
C0434/3
C0434/2
C0431
C0433
C0432
X6
63
AOUT2
C 439/1
+
+
AOUT2-IN
AOUT2-G AIN
AOUT2-O FFSET
C 0439/3
C 0439/2
C0436
C0438
C0437
X6
E1
E2
E3
E4
E5
1
0
C 0114/1...5
DIGIN
DIGIN1
DIGIN2
DIGIN3
DIGIN4
DIGIN5
C 0443
28
D C TR L -X 5/28
X5
DIGIN-CINH
1
A1
A2
A3
A4
1
0
C 0118/1...4
DIGOUT
DIGOUT1
DIGOUT2
DIGOUT3
DIGOUT4
C0117/1
C0117/2
C0117/3
C0117/4
C 0444/4
C 0444/3
C 0444/2
C 0444/1
X5
1
C 1477/1
C 0472/3
C 0472/2
DCTRL-CINH
C 0472/1
C 1476/1
Fixed 100 %
Fixed 1
Fixed 100%
C 1477/2
C 0472/4
C 0108/2
C 0109/2
C 0108/1
C 0109/1
Servo cam profiler 9300
Configuration 13000
k13000e.ds4
21.09.98 M . Funk
C 135.B3
AIF-CTRL.B3
CAN-CTRL.B3
≥1
C 0870/2
DCTRL-CINH1
C 0878/1
C 0870/1
C 0871
DC TR L-TR IP-SET
C 135.B8
AIF-CTRL.B8
CAN-CTRL.B8
≥1
C 135.B9
AIF-CTRL.B9
CAN-CTRL.B9
≥1
C 135.B10
AIF-CTRL.B10
CAN-CTRL.B10
≥1
C 135.B11
AIF-CTRL.B11
CAN-CTRL.B11
≥1
C 0876
DC TRL-TR IP-R ESET
DCTRL
QSP
DISABLE
TRIP-SET
TRIP-RESET
CINH
DCTRL-CINH2
C 0878/2
C 0878/3
C 0878/4
X5/28
DCTRL-IM P
DCTRL-CINH
DCTRL-W ARN
DCTRL-M ESS
>
DCTRL-CW /CCW
DCTRL-NACT=0
DC TRL-TR IP
DCTRL-RDY
DCTRL-STAT*1
DCTRL-STAT*2
DCTRL-STAT*4
DCTRL-STAT*8
DCTRL-QSP
≥1
DC TRL-FAIL
D C T R L -IN IT
C 0135
C 0136/1
16
CSEL1
CSEL1-OUT
CSEL1-CAM *1
CSEL1-CAM *2
CSEL1-CAM *4
CSEL1-LO AD
DM UX
CSEL1-EVENT
C 1424/4
C1425/1
C 1424/1
C 1424/2
C 1420
C 1424/3
C 1424/5
C 1425/2
C 1425/3
C 1425/4
C 1425/5
1
0
C1312
CDATA-SEL
CDATA-CYCLE
CDATA-RESET
CDATA-REL-SEL
CDATA-XIN
Data-
memory
C 1300
Data-
evaluation
0
1
2
3
4
5
6
7
Kurve
CTRL
C 1309
CDATA-BUSY-LO AD
CDATA-BUSY-LENX
CDATA-CHK-ERR
CDATA-X0
CDATA-X<0
CDATA-X>XM AX
CDATA-SEC1
CDATA-SEC2
CDATA-ACTLEN
CDATA-LEN1
CDATA-LEN2
CDATA-LEN3
CDATA-LEN4
CDATA-LEN5
CDATA-ACTCAM
CDATA
In te r-
polation
CDATA-XO FFS
CDATA-XRESET
CDATA-DFIN
CDATA-XFACT
CDATA-X-TP
+
0
1
X5/E5
CDATA-XPO S
CDATA-YO UT
CDATA-NOUT
CDATA-LOAD
&
RSP
CDATA-HOLD
C1311
C 1301/X
C 1303/X C 1304
C 1305/X C 1306
C 1313 C 1313
C 1332
C1333
C 1314
C 1323/8
C0429
C 1315/X
C 1316/X
C 1320/2
C 1320/3
C 1321/2
C 1321/3
C 1322/6
C 1322/1
C 1322/2
C 1322/7
C 1322/3
C 1322/4
C 1322/5
C 1323/6
C 1323/1
C 1323/2
C 1323/7
C 1323/3
C 1323/5
C 1324/2
C 1324/3
C 1325/2
C 1325/3
C 1323/4
C 1326/1
C 1327/1
CDATA-SEC3
CDATA-SEC4
CDATA-SEC5
CDATA-YEND
CDATA-X-TP/E5
C 1322/8
CDATA-N-SYNCH
C1317
C 1334
CDATA-TP-POS
C 1324/3
C 1325/3
0
1
C 0156/1
STAT.B0
STAT.B2
STAT.B3
STAT.B4
STAT.B5
STAT.B14
STAT.B15
DCTRL-IM P
STAT
DCTRL-W ARN
DCTRL-M ESS
DCTRL-NACT=0
C 0156/2
C 0156/3
C 0156/4
C 0156/5
DCTRL-STAT*1
DCTRL-STAT*2
DCTRL-STAT*4
DCTRL-STAT*8
0
1
2
3
4
5
6
8
9
DCTRL-CINH
7
10
11
12
13
14
15
C 0156/6
C 0156/7
AIF-
Statusw ord
C 0150
CAN-OUT1-
Statusw ord
YSET1
YSET1-OUT
C1357/1
YSET1-O FFS
C 1356/1
C1353/1
YSET1-FACT
C 1352/1
C 1359/1
YSET1-IN
C1358/1
+
C1350
C1355/1
YSET1-RESET
C 1354/1
C 1359/2
YSET1-IN-SYNC H
C1358/2
CTRL
C 1355/2
YSET1-SYNCH
C1354/2
C 0472/9
1
0
C0105
C 0254
+
-
C0908
C 0070
C 0071
+
-
1
+
1
0
C 0022
C 0081
C 0087
C 0088
C 0089
C 0090
C 0091
PW M
C 0420
C 0490
C 0495
M CTRL-PHI-SET
MCTRL-N2-LIM
MCTRL-M-ADD
MCTRL-PHI-LIM
MCTRL-PHI-ON
C0906/2
M CTRL-N-SET
VECT-CTRL
M CTRL-NSET2
MCTRL
MCTRL-NACT
M CTRL-PHI-ACT
C0906/6
C0906/1
MCTRL-MSET2
MCTRL-N/M-SW T
1
0
MCTRL-HI-M-LIM
M C T R L -L O -M -L IM
C0051
+
C 0050
C0018
C 0006
C0084
C 0085
C0086
C0025
MCTRL-MMAX
MCTRL-IMAX
C 0909
C 0011
±100%
C0056
C 0072
C0906/5
C 0907/1
M C TR L-FLD-W EAK
C0906/7
MCTRL-I-SET
C0906/8
MCTRL-I-LOAD
C0907/4
MCTRL-QSP
C 0907/3
C 0907/2
C 0906/3
C0906/4
C0893
C 0892
C0899
C0900
C 0902
C 0901
C 0890
C 0894
C0895
C 0897
C 0896
C0891
C0898
MCTRL-QSP-OUT
RESOLVER
ENCODER
DCTRL-QSP
≥1
MCTRL-MACT
M C TRL-D C V O LT
C0042
M CTRL-PHI-ANA
CONST
+
+
C 0497
X7
X8
M CTRL-PHI-ANG
C 0075
C 0076
C 0077
C 0078
M CTRL-P-ADAPT
C0906/9
C 0903
MCTRL-IACT
Speed
lim ita tio n
Speed controller
Torque
lim ita tio n
Q SP-decelaration ram p
A ctual speed
Phase controller
C u rre n t
controller
M CTRL-PHI-ACT
1
0
1
0
C 1347/1
CCTRL-IN
C 1346/1
C 1347/2
CCTRL-NSET2
C 1346/2
C 1343/3
CCTRL-N2-SET
C 1342/3
C 1341/1
CCTRL-NRED
C 1340/1
C 1341/2
CCTRL-M RED
C 1340/2
C 1343/1
CCTRL-RESET
C 1342/1
CCTRL-M OUT
CCTRL-NOUT
CCTRL-PHI-SET
CCTRL-POUT
CCTRL-PHI-ACT
CCTRL
-
CC TRL-TPIN
0
1
X5/E4
C 0430
C 1342/2
C 1343/2
C 1345/1
CCTRL-YEND
C 1344/1
C1343/5
CCTRL-SUB-Y-END
C1342/5
CCTRL-PHI-SET2
C 1342/4
C1343/4
CC TRL-TPIN /E4
C1345/2
CC TRL-TP-PO S
C 1344/2
C 1380/1
C1389/1
CERR1
CERR1-ERR
CERR1-PHI-IN
C1389/2
C 1388/1
C 1388/2
CERR1-W ARN
CERR1-LIM
CERR1-W FAC
CERR1-DISABLE
C 1380/2
1
0
0
C1387/1
C 1386/1
C1385/1
C 1384/1
CERR1-W -LIM
C 0472/10
ABS1
ABS1-O UT
ABS1-IN
C 0662
C 0661
DCTRL-CW /CCW
MCTRL-IMAX
DCTRL-RDY
MCTRL-MMAX
CERR1-ERR
DC TRL-TR IP
CDATA-X0
VM AS1
VM AS1-O UT
C 1467/1
VM AS1-AIN
C 1466/1
C 1473/1
VM AS1-DFIN
C 1472/1
C 1469/3
VM AS1-EN-RFG
C 1468/3
C 1467/2
VM AS1-RED-VAL
C 1466/2
C 1469/1
VM AS1-EN-AIN
C 1468/1
C 1469/2
VM AS1-EN-RED
C 1468/2
C 1469/4
VM AS1-CW
C 1468/4
C 1469/5
VM AS1-CCW
C 1468/5
CTRL
C1461/1
C 1461/2
C 1460
CTRL
VM AS1-RFG-IN=OUT
C 1462/X
C 1463/X
C 0034
1
2
AIN1
+
+
AIN1-OUT
AIN1-GAIN
AIN1-OFFSET
C0404/1
C0404/2
C 0402
C 0403
C 0400
X6
C 0026/1
C 0027/1
C 0250
C 0472/7
Fixed 1
C 0030
C 0540
CTRL
DFOUT-AN-IN
C0547
C 0541
DFOUT-DF-IN
C0549
C 0542
C0548
C 0544
DFOUT-SYN-RDY
DFOUT-OUT
DFOUT
C 0545
1
0
2
3
4
5
X8
X9
X10
C0540
E5X5
C 0430/5
Fixed 100 %
C 1476/16
DB1
DB1-OUT
DB1-IN
C 0623
C 0622
±199,99%
C 0621
C 0620
Fixed 1
Show/Hide Bookmarks

Table of Contents

Other manuals for Lenze 9300

Related product manuals