EasyManua.ls Logo

Lenze 9300 - Page 75

Lenze 9300
524 pages
Print Icon
To Next Page IconTo Next Page
To Next Page IconTo Next Page
To Previous Page IconTo Previous Page
To Previous Page IconTo Previous Page
Loading...
Installation
4-35
SHB9300CRV EN 2.0
K1
K1
L3
N
PE
L1
L2
U
V
W
M
3~
PE
PE
L1 L2 L3
K1
F1 ... F3
932X - 933X
+UG -UG
+UG
-UG
9351
A3
28
E1E2E3E4E5
A1
A2
59
39
A4
+
123
4
763
+
7
62
Z1
-X1
Z2
K1
OFF
ON
RFR
RB
T1
T2
R
X7
F4 F5
K35.0124
PES
PES
PES
PES
PES
PES
PES
PES
PES
PES
PE
PE
PE
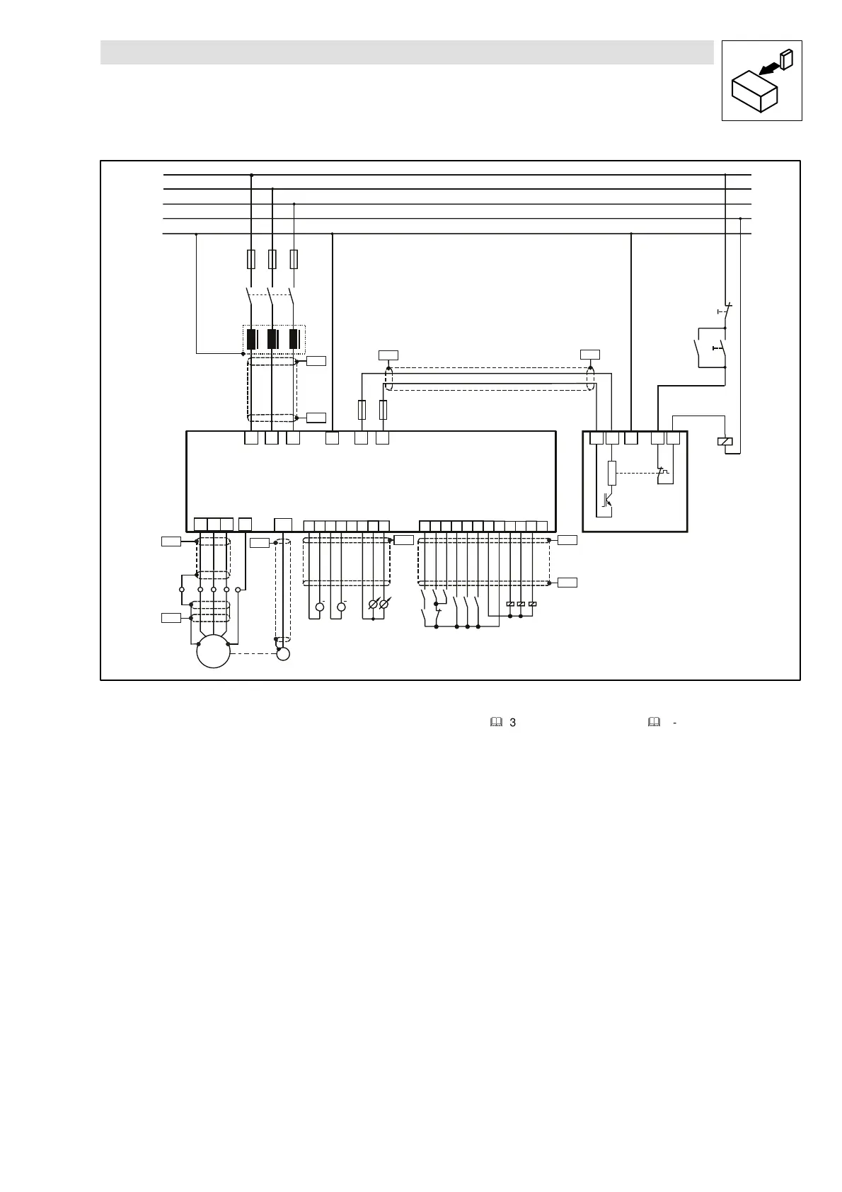
Fig. 4-17 Example for wiring in accordance with the EMC regulations
F1...F5 Protection, see Cable protection” (
&
3-6
) / mains connection” (
&
4-13
)
K1 Mains contactor
Z1 Mains filter A” or B see Accessories.
Z2 Brake module, see Accessories.
-X1 Terminal strip in control cabinet
PES RF scree termination by a PE connection with a surface as large as possible (see Screening” in
this chapter).
Show/Hide Bookmarks

Table of Contents

Other manuals for Lenze 9300

Related product manuals