EasyManua.ls Logo

Lenze i700 Series

Lenze i700 Series
162 pages
To Next Page IconTo Next Page
To Next Page IconTo Next Page
To Previous Page IconTo Previous Page
To Previous Page IconTo Previous Page
Loading...
Electrical installation
Power supply modules
6
l
106
EDS700ACBA EN 5.1
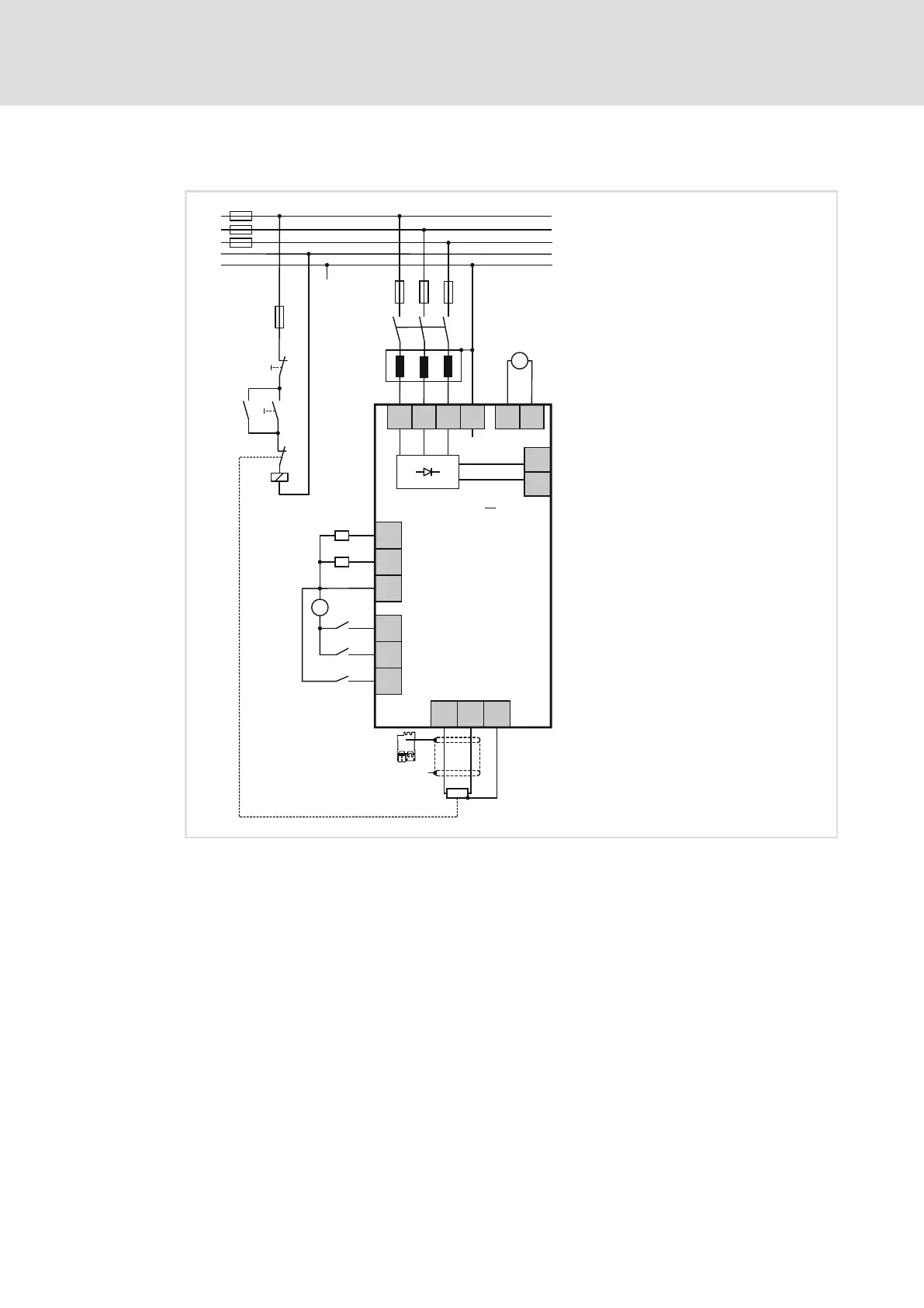
The basic circuit diagram provides a complete overview of the wiring of the devices.
X21
DC 24 V
(+19.2...
+28.8 V)
GE
24E
+
-
2
X20.2
X20.1
DC 24 V
(+19.2 ...
+28.8 V)
+
-
DO1
DO2
GD
DI1
DI2
DI3
X100
PE
L3
L2
L1
Rb1
PE
Rb2
X103
"
"
|
+
X102
-UG
+UG
X101
+
R
b
3 PE /AC 400/480 V
L1
L2
L3
N
PE
F1 F3
K1
Z
F4
K1
K1
0
I
R
b
J
+
E70AC ...P
1
i700xxx
Fig. 10 Basic circuit diagram − power supply modules
E70ACP... i700 power supply module
F... Fuses
K Mains contactor with latch circuit
Z Filter
R
b
External brake resistor
24−V supply of digital inputs and outputs
24−V supply of control electronics

Table of Contents

Other manuals for Lenze i700 Series

Related product manuals