EasyManua.ls Logo

LG SN4A - Block Diagrams; System Block Diagram

LG SN4A
79 pages
Print Icon
To Next Page IconTo Next Page
To Next Page IconTo Next Page
To Previous Page IconTo Previous Page
To Previous Page IconTo Previous Page
Loading...
3-3
Copyright © 2021 LG Electronics Inc. All rights reserved.
Only for training and service purposes.
D+/D-
M_BCK/LRCK
/
DATA0,1,2
MTK_RST/
MICOM_TX/RX/
PWR_STATUS
/INST_BOOT
PWR-SENS
P_SENSE
OPT_SPDIF
S-Flash
(1MB)
SF_CS/CLK/DI/DO
OPT_DET
TMDS/HPD/EDID_I2C/ARC/CEC
TMDS1/RX_HPD1/EDID_I2C/PWR5V_1
AMP_SD_OTW/DC_DETECT/AMP_PROTECT
AMP_PDN
PWM RST
PWM SDA/SCL
P_CTRL/D33_CTRL/
DCDC_12_15_CTRL
HPD_DET/
HDMI_I2C
24.576MHz
FR_P/N,
TWR_P/N
AUDIO ANALOG
AUDIO PWM
AUDIO SPDIF
DC_DC, LDO
,Switch -IC
FL_P/N,
TWL_P/N
DDR3
128MB
A RA [0~14]
27MHz
Serial Flash
16MB
MCLK/LRCK/
BCK/ADC_DAT
WL_MUTE/INIT/RST
/MSG_RDY/CLK/DAT
PWM_BCK
/LRCK/DATA2
Wireless
Woofer
Wireless
Module
RX
LCD_DO/CLK/
BL_CTRL
S-Flash
1MB
POWER/FUNC
/VOL+/-
SPI
MTK
MT8502
FL
LPF
AMP IC
TAS5612L
A
FR
LPF
L
AMP IC
TAS5612L
A
MICOM
MSP430F5438AIPZR
100pin
2
PWM
PS9860
Wireless
Module
TX (5G)
HDMI OUT
HDMI IN
OPTICAL
USB
D+/D-
D DQ [0~31]
BT_RESET
FM
TUNER
(FM/)
M_MCLK/LRCK/
BCK/POR_DAT
Key
PCB
LCD
BT_WAKEUP
CSR8510
ADC
PCM1808
(Slave)
M_MCLK/LRCK/
BCK/TUN_DAT
45W
45W
REMOCON
CS#: NF_D7
SO : NF_D5
WP# : NF_D0
HOLD# : NF_D6
SCLK : NF_RBN
SI : NF_D2
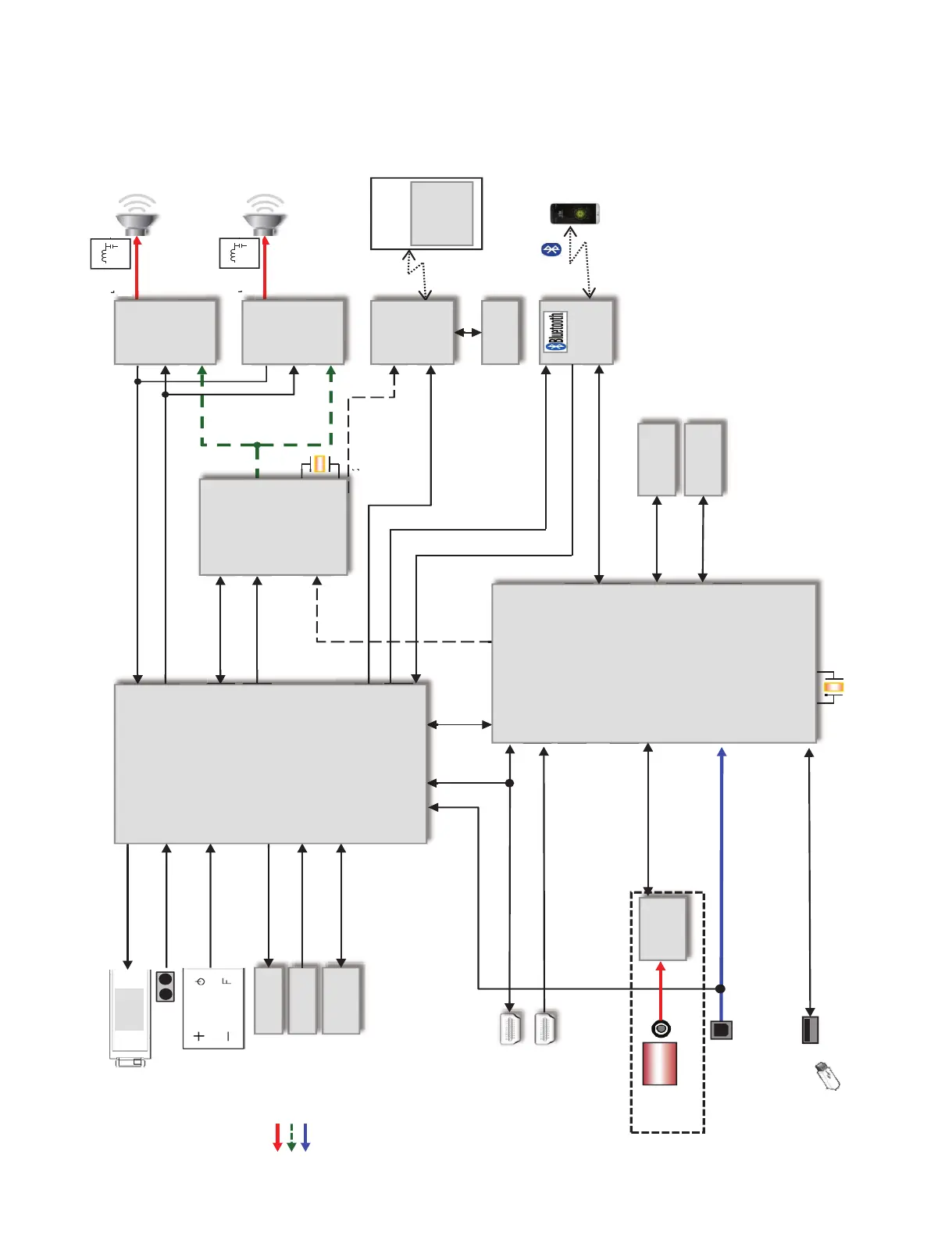
BLOCK DIAGRAMS
1. SYSTEM BLOCK DIAGRAM

Other manuals for LG SN4A

Related product manuals