EasyManua.ls Logo

Liebert CR035 - Page 78

Liebert CR035
79 pages
Print Icon
To Next Page IconTo Next Page
To Next Page IconTo Next Page
To Previous Page IconTo Previous Page
To Previous Page IconTo Previous Page
Loading...
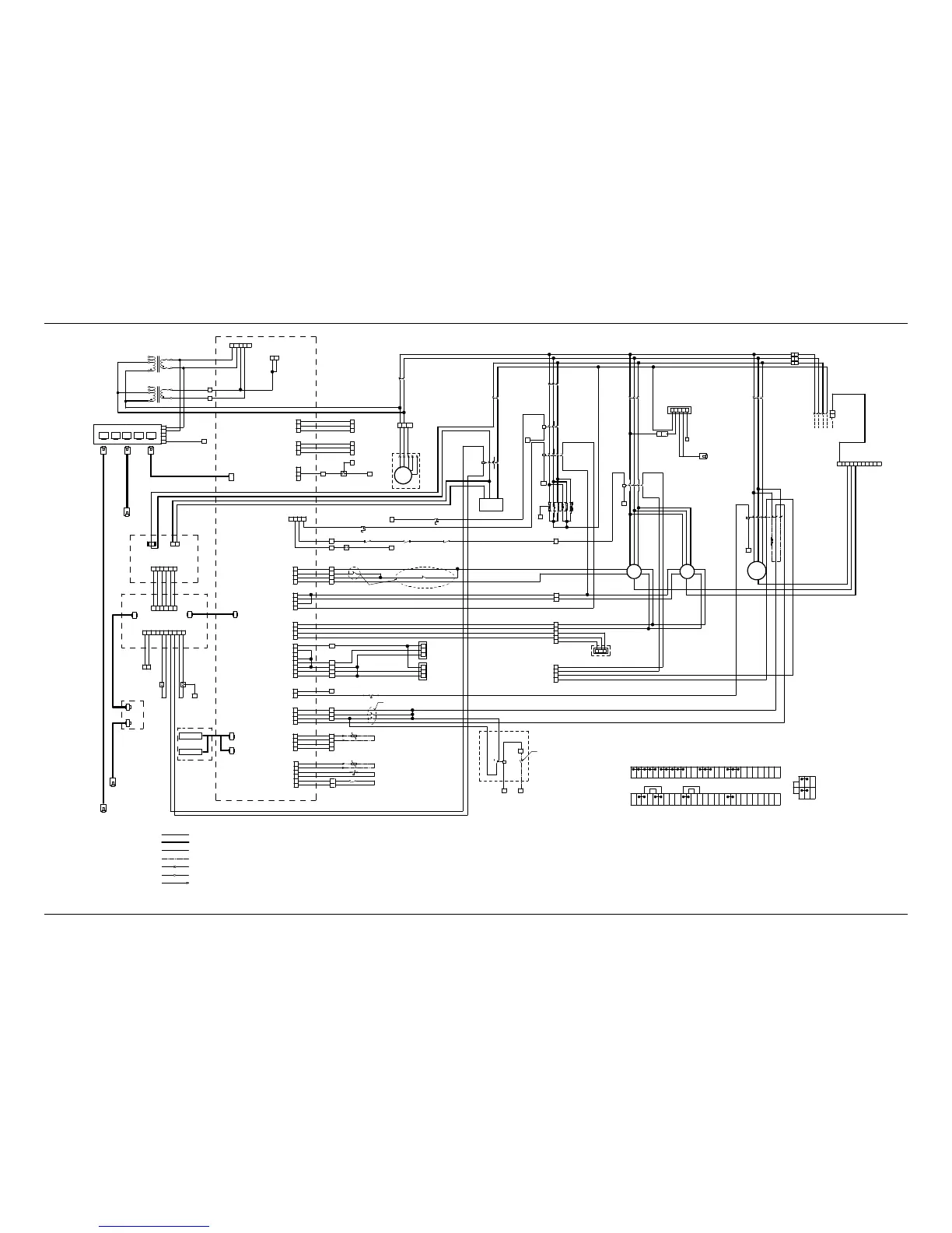
68 Appendix 6 Wiring Diagram
Liebert.CRV Series Air Conditioner User Manual
380V415V/50Hz 3N
L2
BK
BK
3
4
L1
1
2
BK
NL3 PE
6
5
2 4 6
BK
BK
BK
1 5
8
7
PE
Compressor
breaker
QF3
Main switch
QS
1
3
5
3
A1
A2
2
1
62
61
4
3
6
5
14
13
22
21
3
2 4 6
BK BKBK
1 5
Heater breaker
QF5
A1
A2
2
1
4
3
6
5
14
13
3
A1
A2
2
1
4
3
6
5
2 4
BK
BK
1
Humidifier
breaker
QF7
A1
A2
2
1
4
3
6
5
3
LN -+ PE
AC/DC Supply unit
AL
2 4
BK
BK
1
Transformer
breaker
QF8
3
PE1
2
4
6
XP
Compressor
contactor
KM3
00
Y1
P5
710
054
i-COM
A1
Heat contactor1
KM6
Humidifier
contactor
KM7
0
24
ST13-C S T13-NC
Thermostat
P2 1 2 3 4
ST12-C ST12-NC
Manual Thermostat
0
Door switch1
Door switch2
Door switch3
0
Iniection solenoid valve
52
53
61
63
62
P8
84
83
82
81
Delivery air probe
P10
Comp.delivery safety-sta
NC
NOCF-COM
Clogged filter alarm optional
106
105
Water under floor switch
1
2
3
4
1
2
3
4
5
6
1
2
3
4
P7
1
2
3
4
P14
1
2
3
4
P12
1
2
3
4
5
6
7
8
121
126
127
128
+5V
sig
GND
High pressure
sensor
Low pressure
sensor
+5V
sig
GND
125
P6
1
2
3
4
P17 1
2
24
HP-2HP-1
High pressure switch
0
G0
Y2
24
YG G0
Condensing
water valve
71
70
73
72
Factory supplied line voltage wiring
Factory supplied 24 volt wiring
Device own line
Notes:
Connection bars
QF3-2
QF3-4
QF3-6
QS-7
XP-1
XP-3
XP-5
KM3-1
KM3-3
KM3-5
KM3-13
KM3-21
KM3-61
KM3-2
KM3-4
KM3-6
KM3-14
KM3-62
KM3-A1
KM3-A2
BK
BK
BK
BK
BK
CP-L1
CP-L2
CP-L3
CP-PE
Y/GN
TB-70
TB-71
TB-72
TB-73
TB-24
TB-G0
TB-Y2
TB-00
TB-Y1
TB-51
TB-710
TB-054
QS-5
QS-3
QS-1
PE1
TB-0
BK
BK
Y/GN
Y/GN
XPE
AL-N
AL-L
AL-PE
XPE
QF5-2
QF5-4
QF3-6
KM6-1
KM6-3
KM6-5
KM6-2
KM6-4
KM6-6
KM5-1
KM5-3
KM5-5
KM5-A1KM5-A2 KM6-A1KM6-A2
KM5-13KM5-14
KM5-2
KM5-4
KM5-6
TB-0
EH-1
EH-3
EH-5
EH-2
EH-4
EH-6
EH-N1
EH-N3
EH-N5
EH-N2
EH-N4
EH-N6
QF7-2
QF7-4
KM7-A1
KM7-1
KM7-5
KM7-A2
KM7-2
KM7-6
SL A D
HUM-SL
HUM-A
HUM-D
BK
BK
QF8-2
QF8-4
R8 S8
TB-R8
TB-S8
BK
BK
A1-P2-4
A1-P2-3
A1-P2-2
BK
BK
TB-52
TB-53
TB-125
TB-126
TB-127
TB-128
TB-121
TB-24
TB-62
TB-63
TB-81
TB-82
TB-83
TB-84
TB-105
TB-106
A1-P5-1
A1-P5-2
A1-P5-3
A1-P5-4
A1-P7-1
A1-P7-2
A1-P7-3
A1-P7-4
A1-P14-1
A1-P14-2
A1-P14-3
A1-P14-4
A1-P12-1
A1-P12-2
A1-P12-4
A1-P12-5
A1-P12-6
A1-P12-7
A1-P12-8
A1-P17-1
A1-P17-2
A1-P6-1
A1-P6-2
A1-P6-3
A1-P6-4
A1-P8-1
A1-P8-2
A1-P8-3
A1-P8-4
A1-P101
A1-P102
A1-P103
A1-P104
A1-P105
A1-P106
MP1-NO MP1-C MP2-NO MP2-C MP3-NO MP3-C
50
TB-50
19
TB-19
TB-0
TB-61
1 2
CF-NC
COM
0 0 0 0 0 24 24 24 2 4 24 105106 121 121 121125127 126 128 400401402 300301302
50 51 51 52 53 53 54 054 55 61 61 62 63 81 82 83 84 710710 Y2 G0 70 71 72 73 22 395
126 19
Y1 Y1
00 00
U02
U01
R8
S8
PE9
TB-R8
TB-S8
TB-PE9
Ethernet or CAN wiring
Inline quick disconnect
BK
Y/GN
BK
BK
BK BK
BL
BK BK
BK
BK
BK
BK
BK
BK
BK
BK
BK
BK
BK
BK
BK
BK
BK
BK
BK
BK
BK
BK
BK
BK
BK
BK
BK
BK
BK
BK
BK
BK
BK
BK
BK
BK
BK
BK
BK
BK
Terminal block
Humidifier
Heat
contactor2
KM5
Compressor1
XPE
AL-L+
AL-L-
CWV-G
CWV-G0
CWV-Y
Only for unit CR035RW
Terminal block connector
51
BK
54
TB-54BK
Fire sensor
Remote ON/OFF
Naked crimping connector
A1
A2
2
1
4
3
6
5
14
13
Fan contactor
KM1
0
KM1-1
KM1-5
KM1-A1
KM1-13
KM1-2
KM1-6
KM1-14
KM1-A2
BK
BK
BK
KM1-3
KM1-4
风机1
3
风机2
3
FAN1-NC
FAN1-COM
0-10(3)
FAN1-GND(2)
FAN2-NC
FAN2-COM
FAN1-L1
Y/GN Y/GN
Fan1
Fan2
FAN1-L2
FAN1-L3
FAN2-L1
FAN2-L2
FAN2-L3
0-10(3)
FAN2-GND(2)
2 4
1
Fan breaker
QF1
3
BK
BK
QF1-2
QF1-4
6
5
QF1-6
BK
TB-U01
U02
TB-U02
U01
XPE
XPE
XPE
XPE
XPE
22
TB-22
TSC
LWD
Y3 Y3
Remote display cable supply
Condensate
pump
BR BR P P
Optional
P1 1 2 3 4 5
24
0
P3 1 2
A1-P1-1
A1-P1-2
A1-P1-3
A1-P1-4
A1-P3-1
A1-P3-2
TB-24
TB-0
BK
BK
BK
BK
BK
BK
Etherent switch
P64
A1-P64
A3
6 5 4 3 2 1
P3 P4
Isolation board
A6
Humidification control board
A5
P1
1 2 3 4 5 6
P1
TAM
1 2 3 4 5 6P 2 7 8 9 10
24 0
XPE
Drain
solenoid valve
P66 P67
A6-P1-6
A6-P1-5
A6-P1-4
A6-P1-3
A6-P1-2
A6-P1-1
A5-P1-1
A5-P1-2
A5-P1-3
A5-P1-4
A5-P1-5
A5-P1-6
A5-P2-1
A5-P2-2
A5-P2-5
A5-P2-6
A5-P2-7
A5-P2-8
A5-P2-9
A5-P2-10
TB-24
TB-0
XPE
A5-P66 A1-P67
BK
BK
BK
BK
BK
BK
BK
BK
BK
BK
BK
BK
BK
BK
BK
BK
YV07-2YV07-1
YV7-2YV7-1
A6-P3
A6-P4
Charge
solenoid valve
THB
Freon solenoid valve
1
401
400
402
301
300
302
2
3
1
2
3
TB-400
TB-401
TB-402
TB-300
TB-301
TB-302
A1-P16-1
A1-P16-2
A1-P16-3
A1-P15-1
A1-P15-2
A1-P15-3
A1-P4-2
BK
BK
BK
BK
BK
BK
55
TB-55 Y1 Y1
P16
P15
1
2
3
P4
0
XPE
XPE
TB-0
Remote-DIS
A1
A2
14
11
12
0
395
24
Optional
Heat and humidification
lockout relay
K1
User input
No signal input, with a short
connection cable
No signal input, with a short connection cable
Smoke sensor
Wire color code
BK-Black P-Purple
R-Red
WH-White
BL-Blue
BR-Brown
Y/GN-Yellow green
YE-Yellow
A3
RT2
Local display
Local-DIS
Local-DIS
Local display
Only for large display
THB
THB
P67
A5-P67
A3
Remote large
display
Remote-DIS
A3
XPEXPEXPEXPEXPEXPEXPEXPEXPEXPEXPE
P63
P65
Network Communication
INTELLISLOT1
INTELLISLOT2
72
71
KM3-71
Transformer T2
Transformer TC
TC-6
TC-5
T2-6
T2-5
4
T2-1
3
2
4
TC-1
3
2
BK
BK
BK
BK
BK
BK
BK
BK
XPE
A3-PE
XPE
V2
-
V2
+
PE
A3-V1-
A3-V1+
V
1
V1+
-
Figure 19 CR035 air conditioner

Table of Contents

Related product manuals