EasyManua.ls Logo

Liebert himod - Page 18

Liebert himod
36 pages
Print Icon
To Next Page IconTo Next Page
To Next Page IconTo Next Page
To Previous Page IconTo Previous Page
To Previous Page IconTo Previous Page
Loading...
English
14
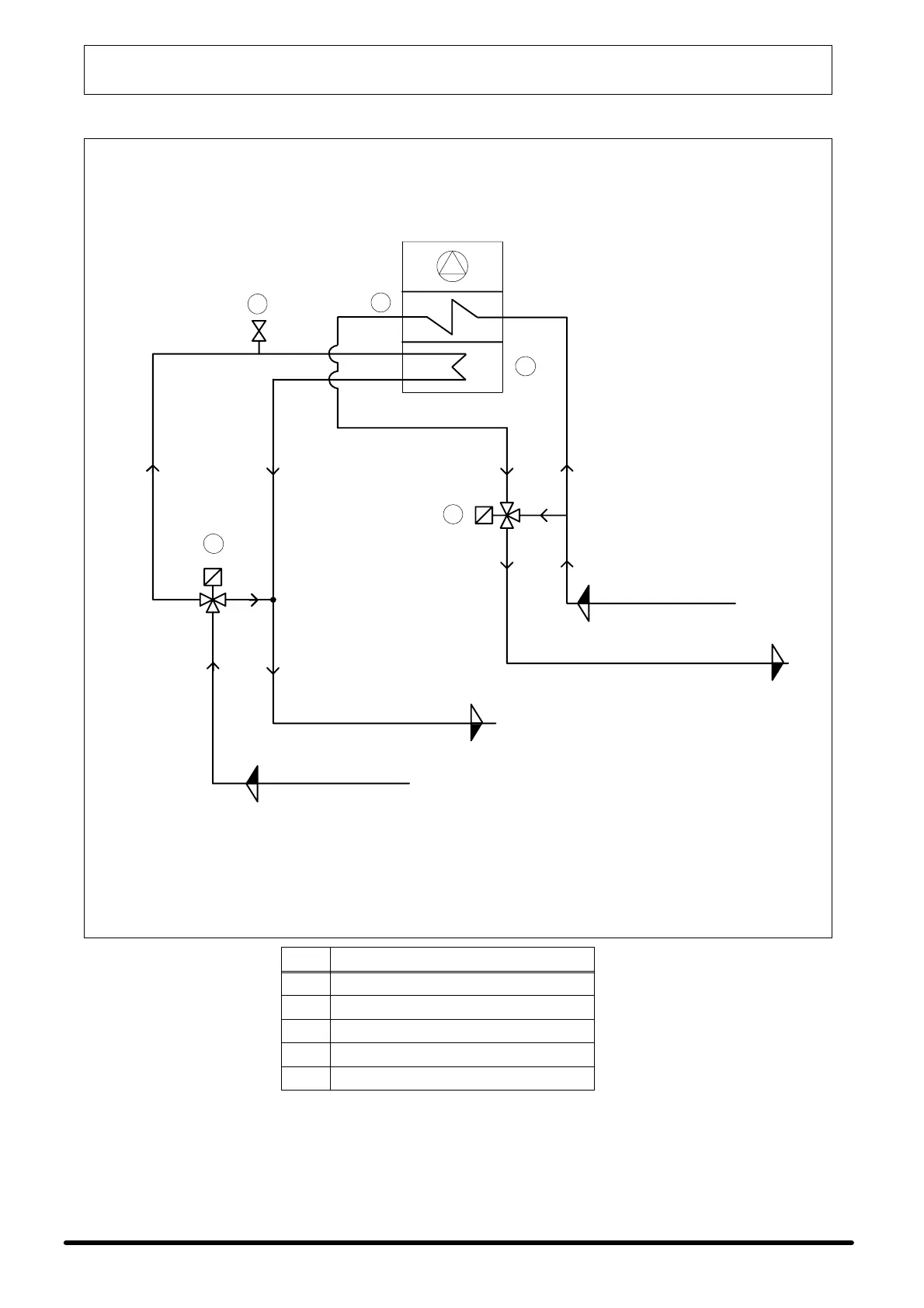
HIMOD−C
Fig. 8 − Water circuit
Himod C
27−55−65
HOT WATER INLET
HOT WATER OUTLET
COOLING WATER INLET
COOLING WATER OUTLET
2
1
4
3
5
POS. DESCRIPTION
1 Chilled water coil
2 Reheating coil (optional)
3 ON−OFF 3−way valve (optional)
4 Chilled water 3−way valve
5 Air purge valve

Other manuals for Liebert himod

Related product manuals