EasyManua.ls Logo

Liebert himod - Figure 13 Himod Humidifier Wiring Diagram

Liebert himod
72 pages
Print Icon
To Next Page IconTo Next Page
To Next Page IconTo Next Page
To Previous Page IconTo Previous Page
To Previous Page IconTo Previous Page
Loading...
54 Component Operation and Maintenance
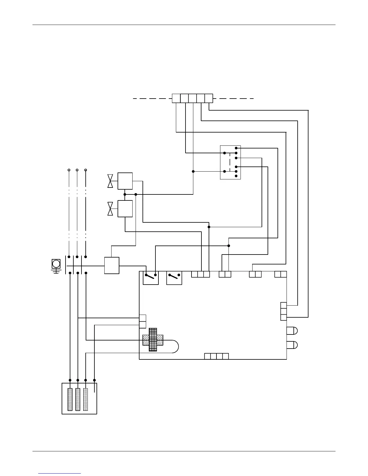
Figure 13 Himod humidifier wiring diagram
234
67
EXTERNAL
INTERNAL
HUMIDITY DEMAND
24 Vac COMMON
24 Vac HOT
SERVICE RELAY (COM)
SERVICE RELAY (N.C.)
1/2
2/5
1/3
1/1
2/6
RUN
STOP
DRAIN
24 V
COIL
24 V
COIL
DRAIN
FILL
L3 L2
L1
PRIMARY WIRING BY OTHER
(L3 CONNECTION ONLY REQUIRED
FOR 3 PHASE APPLICATIONS)
G
L3
L2
L1
24 V
COIL
CONTACTOR
CYLINDER
123 12 12 12
1
2
3
4321
5
1
P4 P1 P3 P5
P2
P6
P8
GREEN LAMP
AMBER LAMP
RL 1 RL 2

Table of Contents

Other manuals for Liebert himod

Related product manuals