EasyManua.ls Logo

Lincoln FLEXTEC 450 - Page 36

Lincoln FLEXTEC 450
72 pages
Print Icon
To Next Page IconTo Next Page
To Next Page IconTo Next Page
To Previous Page IconTo Previous Page
To Previous Page IconTo Previous Page
Loading...
F-2
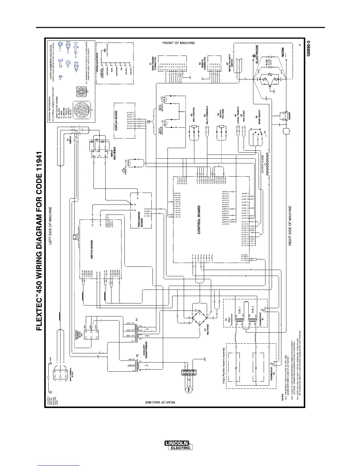
DIAGRAMS
F-2
FLEXTEC™ 450
NOTE: This diagram is for reference only. It may not be accurate for all machines covered by this manual. The specific diagram for a particular code is pasted inside the
machine on one of the enclosure panels. If the diagram is illegible, write to the Service Department for a replacement. Give the equipment code number.

Table of Contents

Related product manuals