EasyManua.ls Logo

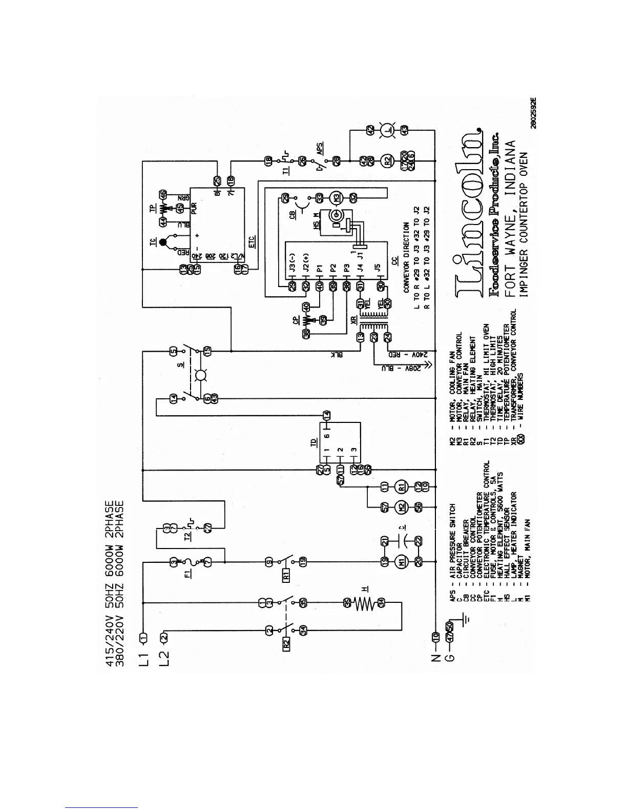
Lincoln Impinger - Schematic 1305,1306 S;N 3018980 & below

Lincoln Impinger
64 pages
Print Icon
To Next Page IconTo Next Page
To Next Page IconTo Next Page
To Previous Page IconTo Previous Page
To Previous Page IconTo Previous Page
Loading...
CounterTop – 1300 Series Service Manual
20
SCHEMATIC 1305,1306 S/N 3018980 & BELOW

Table of Contents

Related product manuals