EasyManua.ls Logo

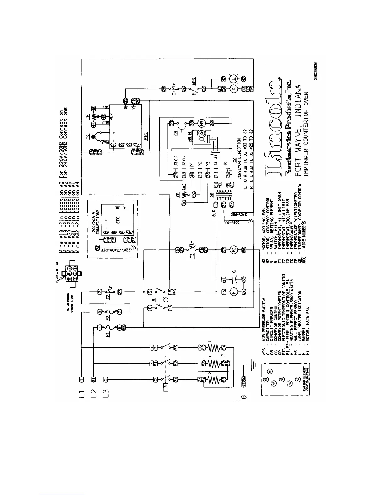
Lincoln Impinger - Schematic 1307 S;N 3018981 to 3043630

Lincoln Impinger
64 pages
Print Icon
To Next Page IconTo Next Page
To Next Page IconTo Next Page
To Previous Page IconTo Previous Page
To Previous Page IconTo Previous Page
Loading...
CounterTop – 1300 Series Service Manual
27
SCHEMATIC 1307 S/N 3018981 TO 3043630

Table of Contents

Related product manuals