EasyManua.ls Logo

LiteOn EVO600043S2D2E20F - 4.3 Control Circuit

LiteOn EVO600043S2D2E20F
190 pages
Print Icon
To Next Page IconTo Next Page
To Next Page IconTo Next Page
To Previous Page IconTo Previous Page
To Previous Page IconTo Previous Page
Loading...
27
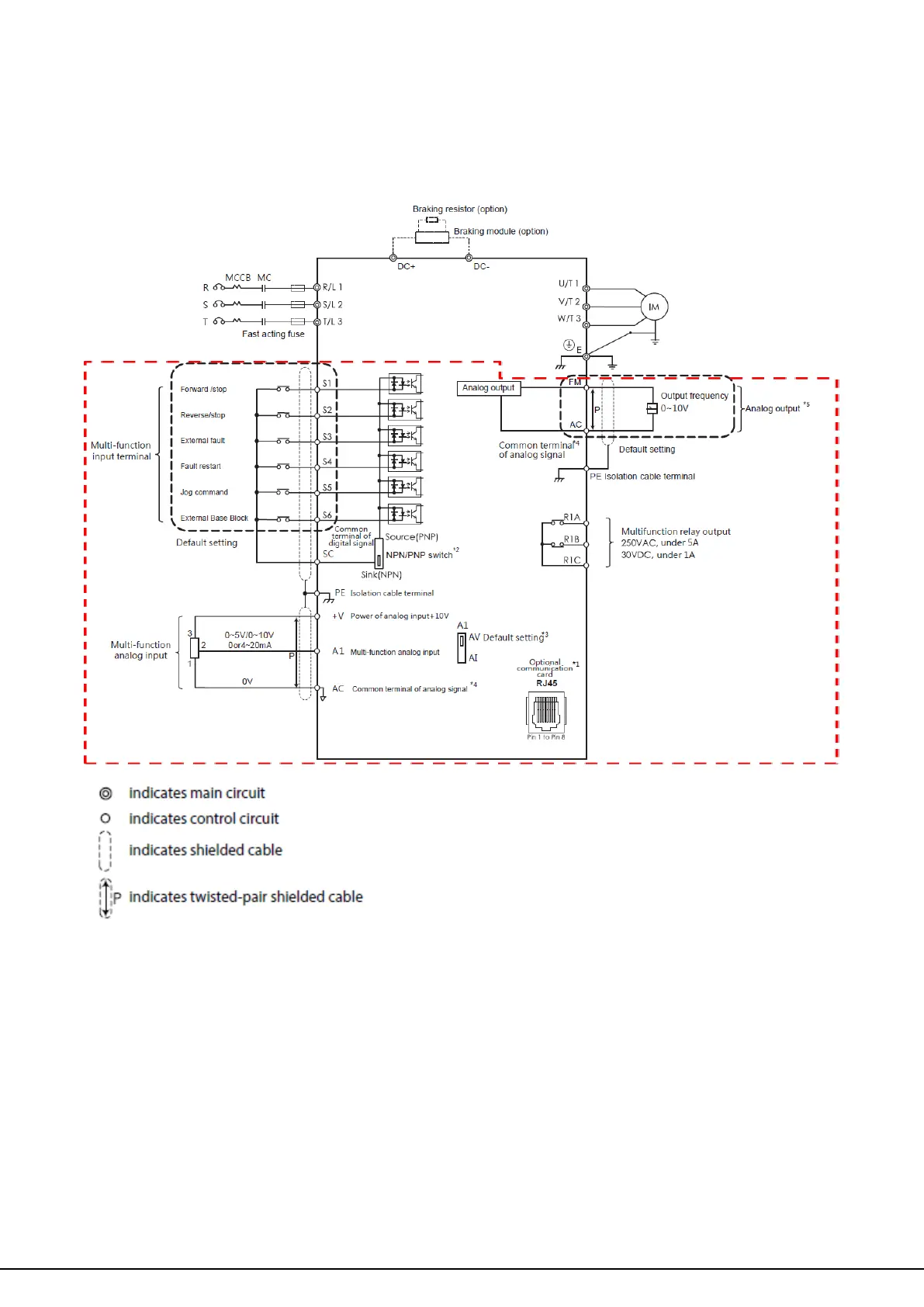
4.3 Control Circuit
RJ45 port can be connected to the built-in RS-485 communication or option
communication cards (options cards are under development)
Multi-function analog input S1 to S6 can be switched between Sink (NPN) mode and
Source (PNP) mode. The default setting is NPN mode.
DIP switch A1 is used to set the analog input type as voltage or current.
AC (Analog Common) is the common terminal of analog signal.
Analog output is used to connect a frequency meter, current meter, voltage meter and
power meter.

Table of Contents

Other manuals for LiteOn EVO600043S2D2E20F

Related product manuals