EasyManua.ls Logo

LORCH S-Pulse - Page 34

LORCH S-Pulse
68 pages
Print Icon
To Next Page IconTo Next Page
To Next Page IconTo Next Page
To Previous Page IconTo Previous Page
To Previous Page IconTo Previous Page
Loading...
Pc-Boards
- 34 - 02.20909.2710.1-06
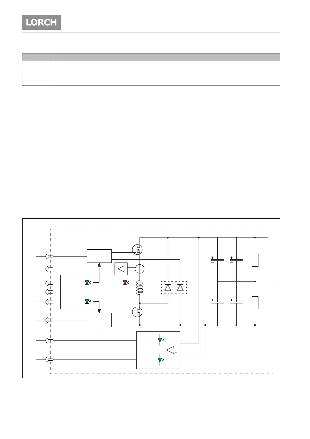
Overview connectors pc-board DCDR
connector designation
X1 flat ribbon cable to pc-board MAPRO05
X2 connection to current sensor and pc-board PWRUP
X3 connection temperature sensor
Tab. 19: Connectors DCDR
PWM-Driver
The pc-baord DCDR is the primary driver board for the transformer. It is a classical half bridge design. The
supply is provided via pins 1, 2 and 3 of the flat ribbon cable and the PWM signals (PWM = Pulse Width
Modulation) for driving the MOSFETs are at pin 5 (low side) and pin 6 (high side).
Monitoring primary current
The “A+” wire of the transformer (primary coil) is going through a current sensor. As soon as the primary
input current gets too high, the driver circuits are locked and via pin 8 of the flat ribbon cable the DCDR
signals to the MAPRO that an “overcurrent” has occured (see details on page 59).
Monitoring bus voltage
The bus voltage is monitored by the DCDR board. As soon as the bus voltage gets too high or too low, the
DCDR signals to the MAPRO via pins 9 (overvoltage) and 10 (undervoltage) that the bus voltage is out of
limits (see details on page 60).
Schematic
A+
A-
drv high
drv low
Vcc high
LED5
Vcc low
LED2
+UZ
-UZ
LED1
UZmax
LED6
UZmin
LED4
X1-6
X1-5
X1-8
X1-3
X1-2
X1-1
X1-9
X1-10
DCDRV
T10
T12
T16
T17
T6
T7
T9
T11
PWM
PWM
Fig. 22: Schematic DCDR2x

Related product manuals