EasyManua.ls Logo

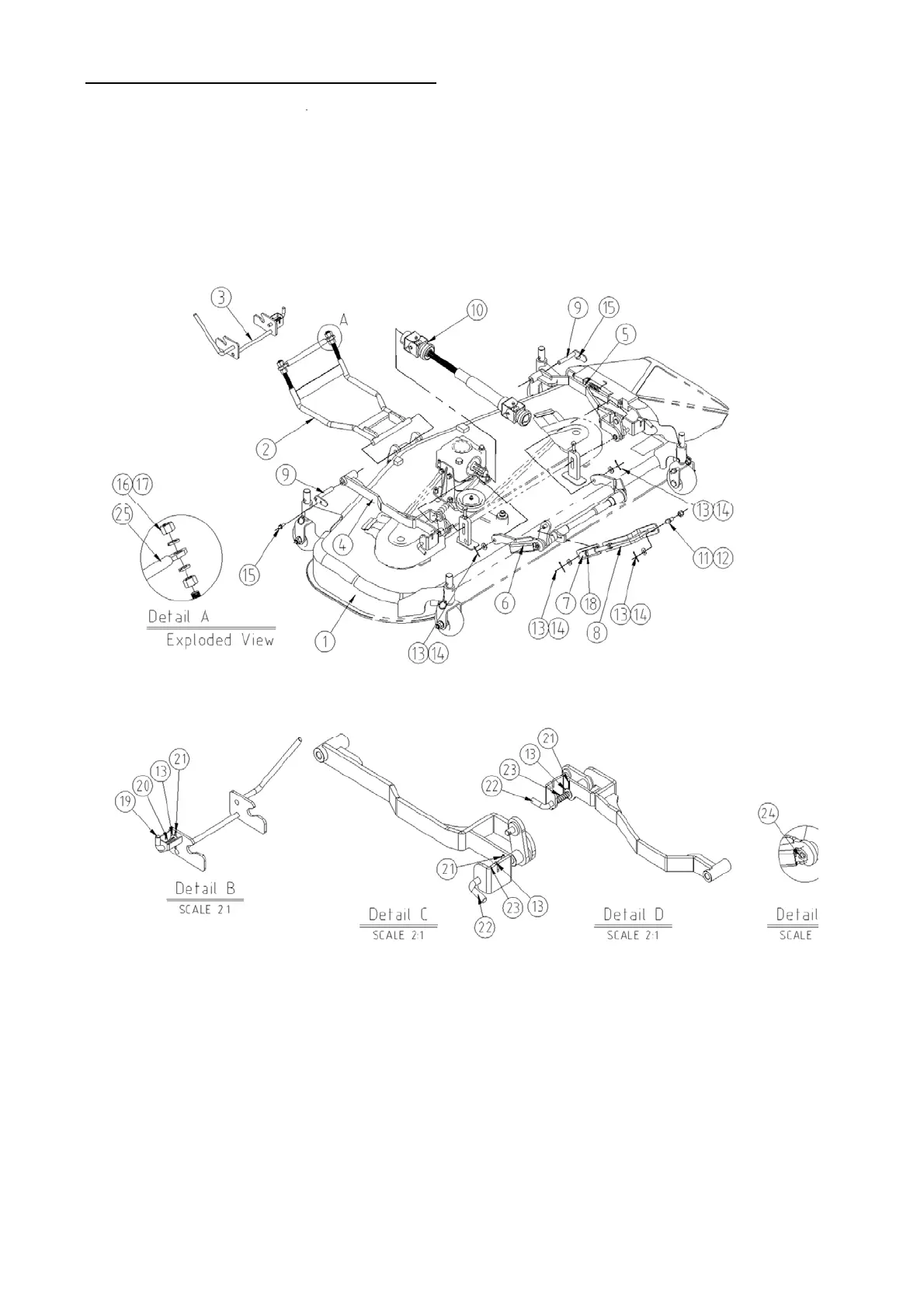
LS tractor LM1160 - Mid-Mower Assembly; Exploded View of Assembly

LS tractor LM1160
49 pages
Print Icon
To Next Page IconTo Next Page
To Next Page IconTo Next Page
To Previous Page IconTo Previous Page
To Previous Page IconTo Previous Page
Loading...
MID-MOWER ASSEMBLY
- 28 -

Related product manuals