EasyManua.ls Logo

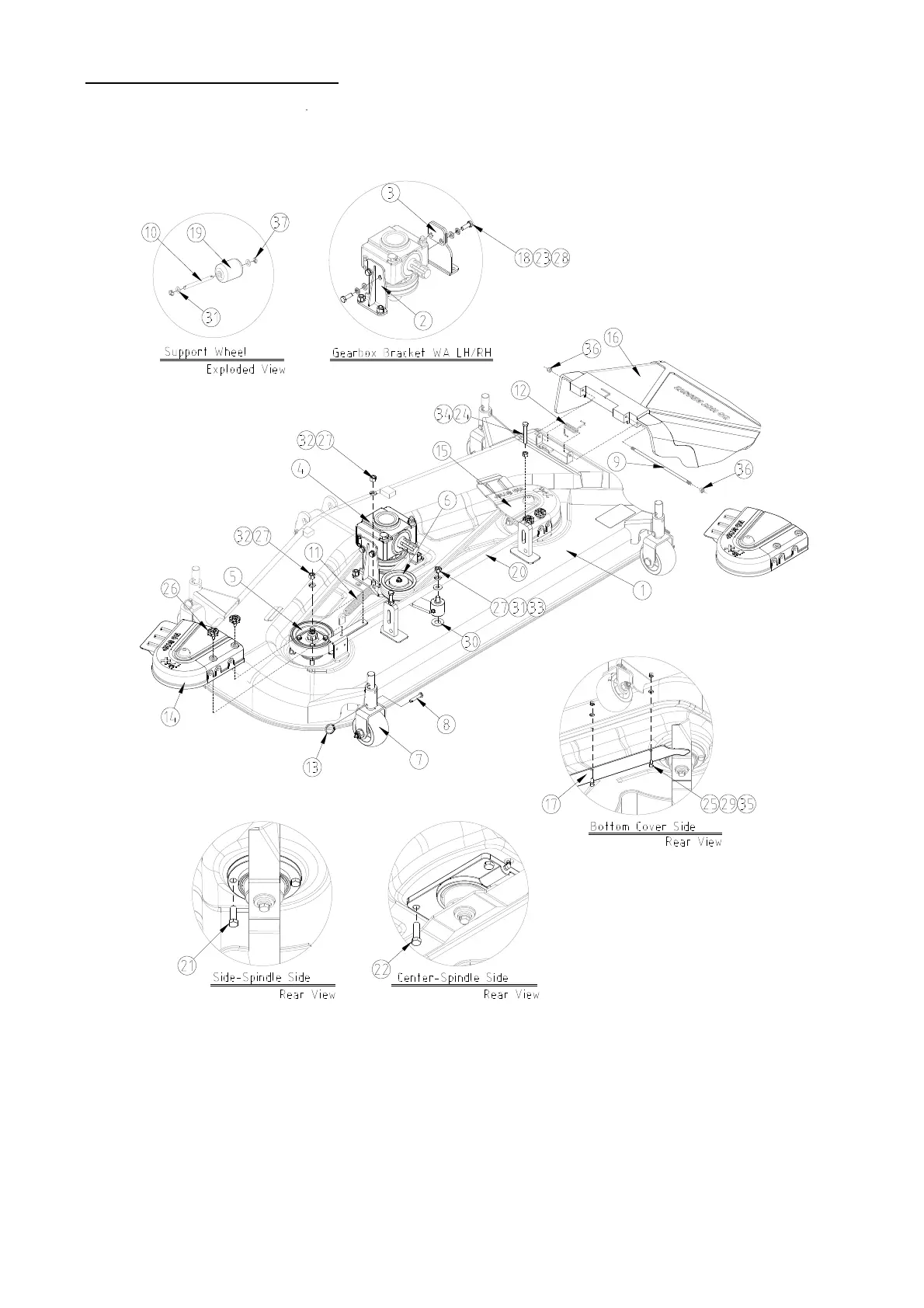
LS tractor LM1160 - Deck Assembly; Exploded View of Deck Components

LS tractor LM1160
49 pages
Print Icon
To Next Page IconTo Next Page
To Next Page IconTo Next Page
To Previous Page IconTo Previous Page
To Previous Page IconTo Previous Page
Loading...
DECK ASSEMBLY
- 30 -

Related product manuals