EasyManua.ls Logo

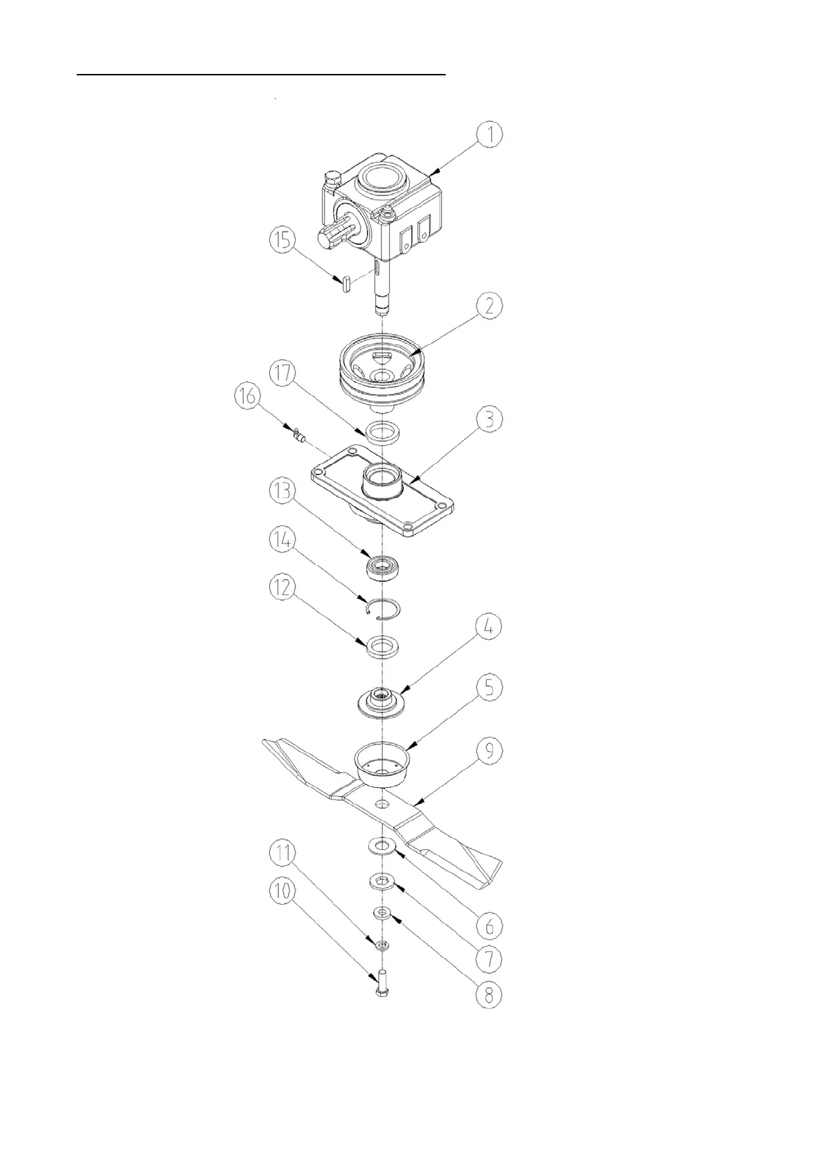
LS tractor LM1160 - Center Pulley Assembly; Exploded View of Center Pulley

LS tractor LM1160
49 pages
Print Icon
To Next Page IconTo Next Page
To Next Page IconTo Next Page
To Previous Page IconTo Previous Page
To Previous Page IconTo Previous Page
Loading...
CENTER PULLEY ASSEMBLY
- 32 -

Related product manuals