EasyManua.ls Logo

LS SV008iS5-2 - Sub-C Board (Isolated)

Default Icon
205 pages
Print Icon
To Next Page IconTo Next Page
To Next Page IconTo Next Page
To Previous Page IconTo Previous Page
To Previous Page IconTo Previous Page
Loading...
Chapter 7 - Options
161
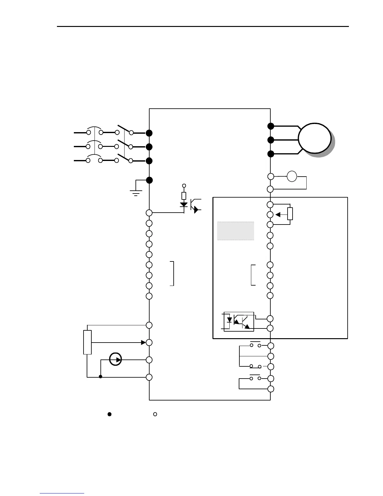
7.3 Sub-C Board (Isolated)
7.3.1 Board Configuration
3P
230/460 V
50/60 Hz
IM
U
V
W
E
R
S
T
FX
RX
BX
RST
JOG
P2
P3
+
FM
5G
30A
30B
30C
AXA
AXC
Output freq
analog meter
(0-10V, 1mA)
*2
P1
Fault output relay
Less than AC 250V, 1A
Less than DC 30V, 1A
VR
V1
I
5G
0
-
10V(1 kohm)
*3
Maximum
current thru
PC: 5mA
CM
NFB
MC
24 V
AM2
AM1
P4
P5
P6
Q1
EXTG
VR
V2
GND
XCEL-L
Multi-function
input
Open collector
Multi-function
input (Less than
25V, 50mA)
FDT-1
Analog meter output 1
(0-10V, 1mA)
Sub- C
Board
F
M
CM
FWD Run/Stop
REV Run/Stop
Fault reset
JOG
Multi-function input 1
Common Terminal
Multi-function input 2
Multi-function input 3
Emergency brake
Note)
1.
: Main circuit : Control circuit
2. Output voltage is adjustable up to 12V
3. Three types of External speed signal input available
(V, I, V+I, Refer to Parameter list and description for more details)
.
4 - 20mA (250 ohm)
Speed signal input
Common
terminal for
VR,V1, I
Power supply for
speed signal
(+12V 10mA)
Speed signal input
Factory setting:
Multi-speed
input
(Speed-L,M,H)
Potentiometer
1kohm, 1/2W
Potentiometer
1kohm, 1/2W
Speed signal input
Analog meter output 2
(0-10V, 1mA)
XCEL-M
XCEL-H
Common terminal
for P4-6
Common terminal
for Q1
Multi-function output relay
Less than AC 250V, 1A
Less than DC 30V, 1A
Factory setting:'Run'

Related product manuals