EasyManua.ls Logo

Lumens VC-A51S - Page 12

Lumens VC-A51S
38 pages
Print Icon
To Next Page IconTo Next Page
To Next Page IconTo Next Page
To Previous Page IconTo Previous Page
To Previous Page IconTo Previous Page
Loading...
English - 12
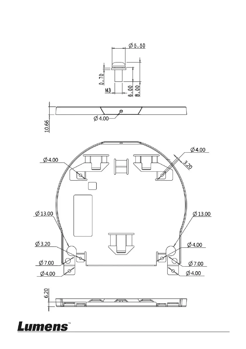
4.2.2.4 Size Diagram
1. Metal plate A - machine side
Metal plate A - machine side
Metal plate A locking screw

Other manuals for Lumens VC-A51S

Related product manuals