EasyManua.ls Logo

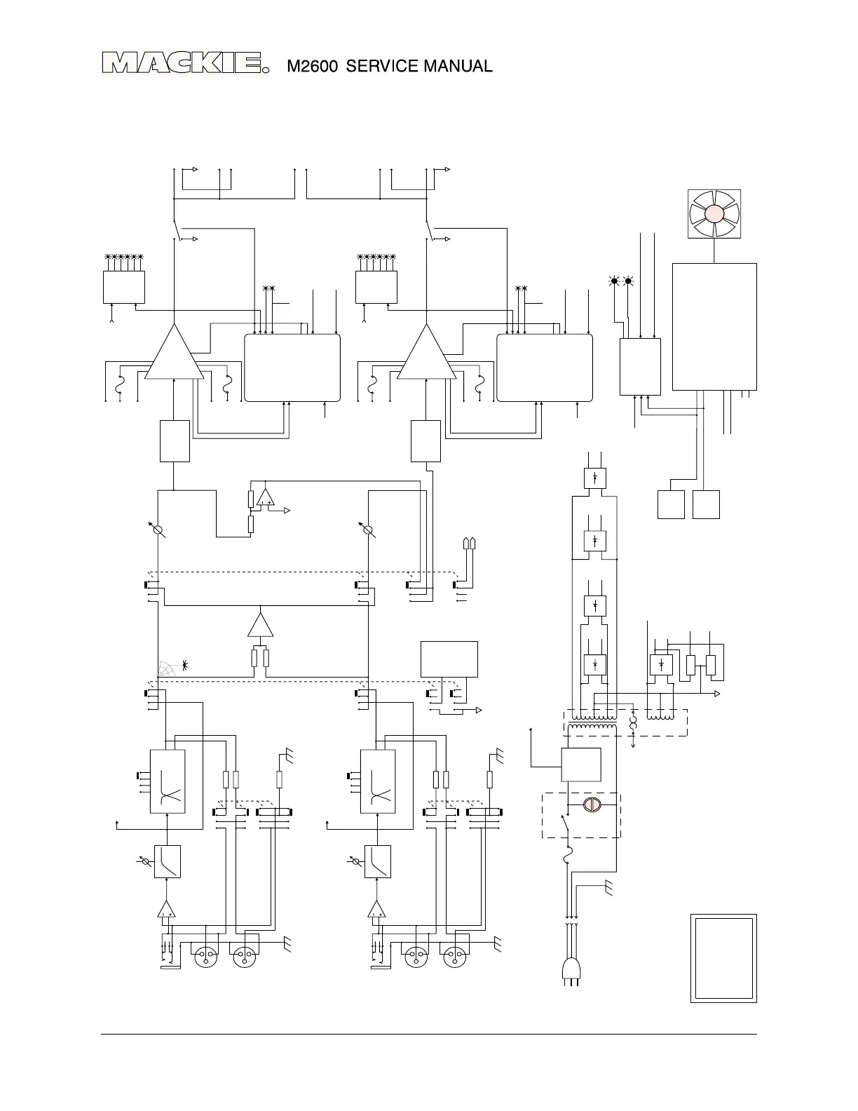
Mackie M2600 - Block Diagram

Mackie M2600
32 pages
Print Icon
To Next Page IconTo Next Page
To Next Page IconTo Next Page
To Previous Page IconTo Previous Page
To Previous Page IconTo Previous Page
Loading...
4
+
+
CH.1 100 VDC
+
CH.1 115 VDC
+
CH.2 115 VDC
TOROIDAL POWER
TRANSFORMER
LAMP
FUSE
MACKIE DESIGNS
M•2600
BLOCK DIAGRAM
9/21/1998
LOW CUT
FILTER
CROSSOVER
INVERTER
(FOR BRIDGED MONO
OPERATION)
FREQ
CH.1 GAIN
CH.2 GAIN
60-90-120Hz
THRU–LOW–HIGH
LIMIT–OFF-LOW OUT
POWER
SWITCH
IN-RUSH
LIMIT
30 VDC
+15 VDC
-15 VDC
22 VAC
+
CH.2 100 VDC
TRANSFORMER
THERMAL
LINE INPUT
(1/4" TRS)
LINE INPUT
(XLR-FEMALE)
THRU OUTPUT
(XLR-MALE)
STEREO-MONO-BRIDGED
STEREO-MONO-BRIDGED
STEREO-MONO-BRIDGED
LIMITER
CONTROL
CH–1
CH–2
LOW
HIGH
LOW CUT
FILTER
CROSSOVER
FREQ
SHORT 2
IN-RUSH CONTROL
THRU–LOW–HIGH
LIMIT–OFF-LOW OUT
LIMIT–OFF-LOW OUT
LINE INPUT
(1/4" TRS)
LINE INPUT
(XLR-FEMALE)
THRU OUTPUT
(XLR-MALE)
60-90-120Hz
LOW
HIGH
SHORT 1
(THE SHORT LEDS ARE
JOINED IN BRIDGED MODE)
LIMITER
CHANNEL 1
POWER
AMPLIFIER
FUSE
OUTPUT
RELAY
–100VDC
–115VDC
22VAC
FUSE
+100VDC
+15VDC
+15VDC
+115VDC
METER
DRIVE
OL
–3
–6
–9
–20
SIG
PROTECT
SHORT
SHORT 1
CH 1
SIG
CH 1
SIG
CH 2
SIG
CH. 1
SPEAKER
OUT
CH. 2
SPEAKER
OUT
CH. 1
SPEAKON
CH. 2
SPEAKON
BRIDGED
MONO
SPEAKON
PROTECTION CIRCUITRY
MUTE
DC OFFSET
PROTECT
SHORT
OUTPUT STAGE CURRENT
OUTPUT STAGE VOLTAGE
TRANSIENT SOA FLT
STEADY STATE SOA FLT
OUTPUT DISSIPATION
LOW VOLTAGE DETECT
IN-RUSH CONTROL
CH.1 DISSIPATION
MUTE
LIMITER
CHANNEL 2
POWER
AMPLIFIER
FUSE
OUTPUT
RELAY
–100VDC
–115VDC
22VAC
FUSE
+100VDC
+15VDC
+15VDC
+115VDC
METER
DRIVE
OL
–3
–6
–9
–20
SIG
PROTECT
SHORT
CH 2
SIG
PROTECTION CIRCUITRY
MUTE
DC OFFSET
PROTECT
SHORT
OUTPUT STAGE CURRENT
OUTPUT STAGE VOLTAGE
TRANSIENT SOA FLT
STEADY STATE SOA FLT
OUTPUT DISSIPATION
LOW VOLTAGE DETECT
IN-RUSH CONTROL
CH.2 DISSIPATION
MUTE
+30VDC
-30VDC
HOT LED
COLD LED
CH.1 MUTE
CH.2 MUTE
80
0
C MUTE
52
0
C UN-MUTE
80
0
C MUTE
52
0
C UN-MUTE
CH 1
TEMP
SENSOR
CH 2
TEMP
SENSOR
OVER TEMPERATURE
DETECTOR
TRANSFORMER
THERMAL SWITCH
VARIABLE SPEED FAN CONTROLLER
45
0
C – 65
0
C SPEED CONTROL CH.1
45
0
C – 65
0
C SPEED CONTROL CH.2
FAN IDLE/VARIABLE CH.1 POWER DETECTOR
FAN IDLE/VARIABLE CH.2 POWER DETECTOR
CH.1 DISSIPATION
CH.2 DISSIPATION
FAN
Σ
1-
1+
1-
1+
-
+
-
+
1-
1+
SHORT 2
(THE CHANNELS ARE
SUMMED IN MONO
OR BRIDGED MODE)
Block diagram

Related product manuals