EasyManua.ls Logo

Manitou MT10055XT - Page 96

Manitou MT10055XT
114 pages
Print Icon
To Next Page IconTo Next Page
To Next Page IconTo Next Page
To Previous Page IconTo Previous Page
To Previous Page IconTo Previous Page
Loading...
50960025/CP0913 92 PRINTED IN U.S.A.
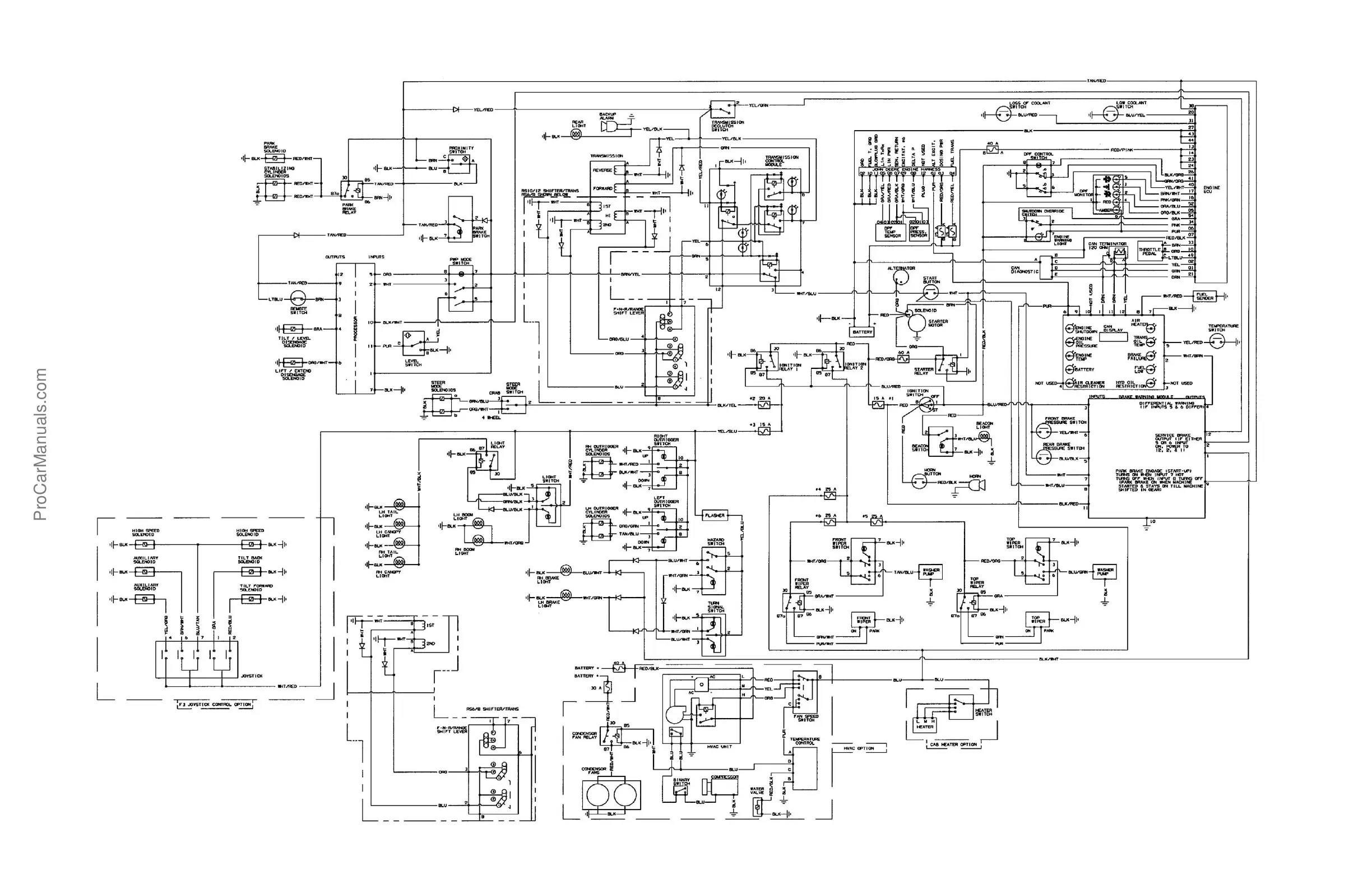
Electrical Schematic without Radio Remote
ProCarManuals.com

Table of Contents

Related product manuals