EasyManua.ls Logo

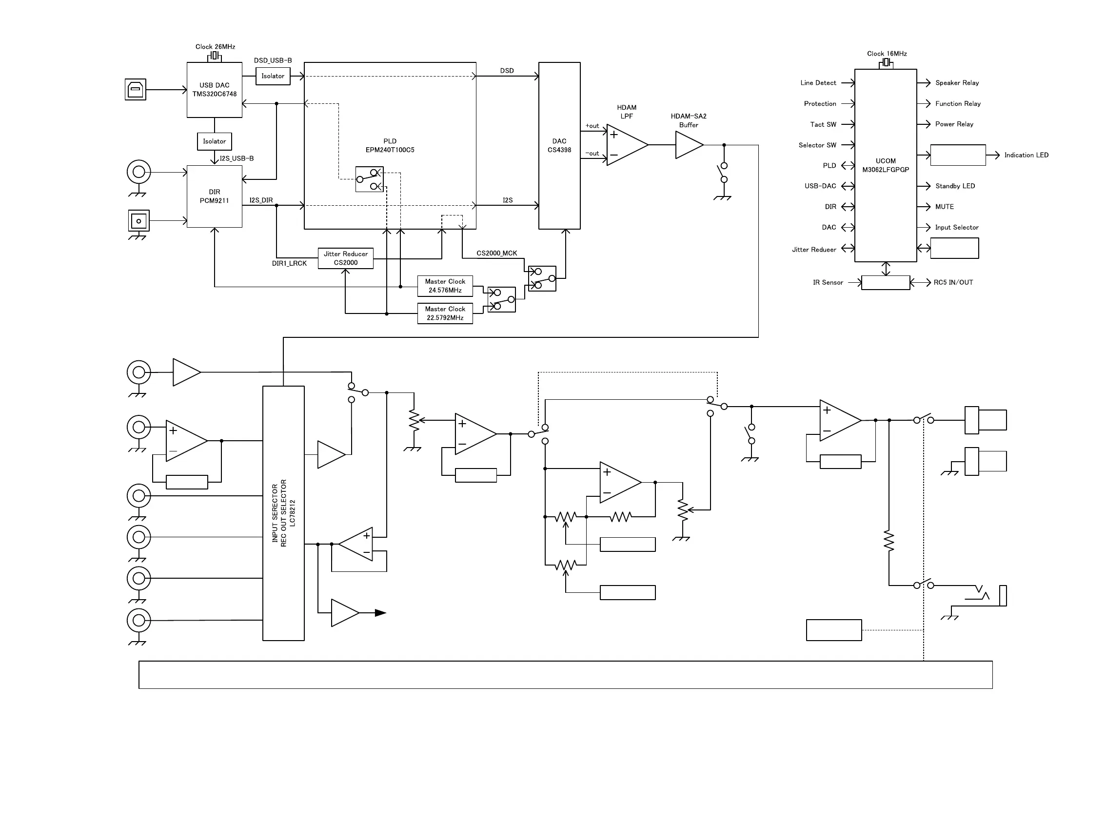
Marantz Icemaker - Block Diagram

Marantz Icemaker
86 pages
Print Icon
To Next Page IconTo Next Page
To Next Page IconTo Next Page
To Previous Page IconTo Previous Page
To Previous Page IconTo Previous Page
Loading...
R IAA
NFB
TRE BLE
NFB
R -CH
PR OTE CION
CIR CUIT
PHONO
CD
TUNE R
NE TWOR K
R E COR DE R -1
IN
R E COR DE R -1
OUT
SPE AKE R
(+)
SPE AKE R
(-)
HE ADPHONE
VOLUME
BALANCE
SOUR CE DIR E CT
MUTE
CD
DIR E CT
CD DIR E CT
BUFFER
LINE BUFFE R
R E C BUFFER
BAS S
LINE DETE CT
LINE DETE CT
AMP
US B
Type B
COAXIAL
OPTICAL
MUTE
Shift Register
MC104094
E E PR OM
BR 93L66F
R C5
BLOCK DIAGRAM
41

Related product manuals