EasyManua.ls Logo

Marantz NR1605/U1B - Page 45

Marantz NR1605/U1B
190 pages
Print Icon
To Next Page IconTo Next Page
To Next Page IconTo Next Page
To Previous Page IconTo Previous Page
To Previous Page IconTo Previous Page
Loading...
CD
DSP_SR
DSP_SW
ANA_FR
DSP_FL
Bypass
Tone+Mix
Tone
Z2R
Z2L
FR
SR
SL
C
FR
FL
H/P-R
H/P-L
DM920_R/L
ZONE2 VOLUME
BD3812F
DSP_SBR
ZONE_R
ZONE_L
DSP_SBL
DSP_SL
DSP_FR
DSP_C
ANA_FL
Tone
Tone+Mix
Bypass
SBR
SBL
SL
SR
C
FR
FL
ATT
SW
FL
FM/AM
TUNER
DVD
TO PCM9211 1/6 F9
2ch PREOUT
MIC
(Mini Jack)
SAT_CBL
TO A.PLD 1/6 I9
ZONE2 OUT
0.1ch PREOUT
SPK OUT
HEADPHONE OUT
ANALOG
INPUT
ZONE2 VOLUME CONTROL
FROM DIGITAL
SBR(FR-B/FR-H/BI-AMP/ZONE)
SBL(FL-B/FL-H/BI-AMP/ZONE)
ZONE2->SB ASSIGN
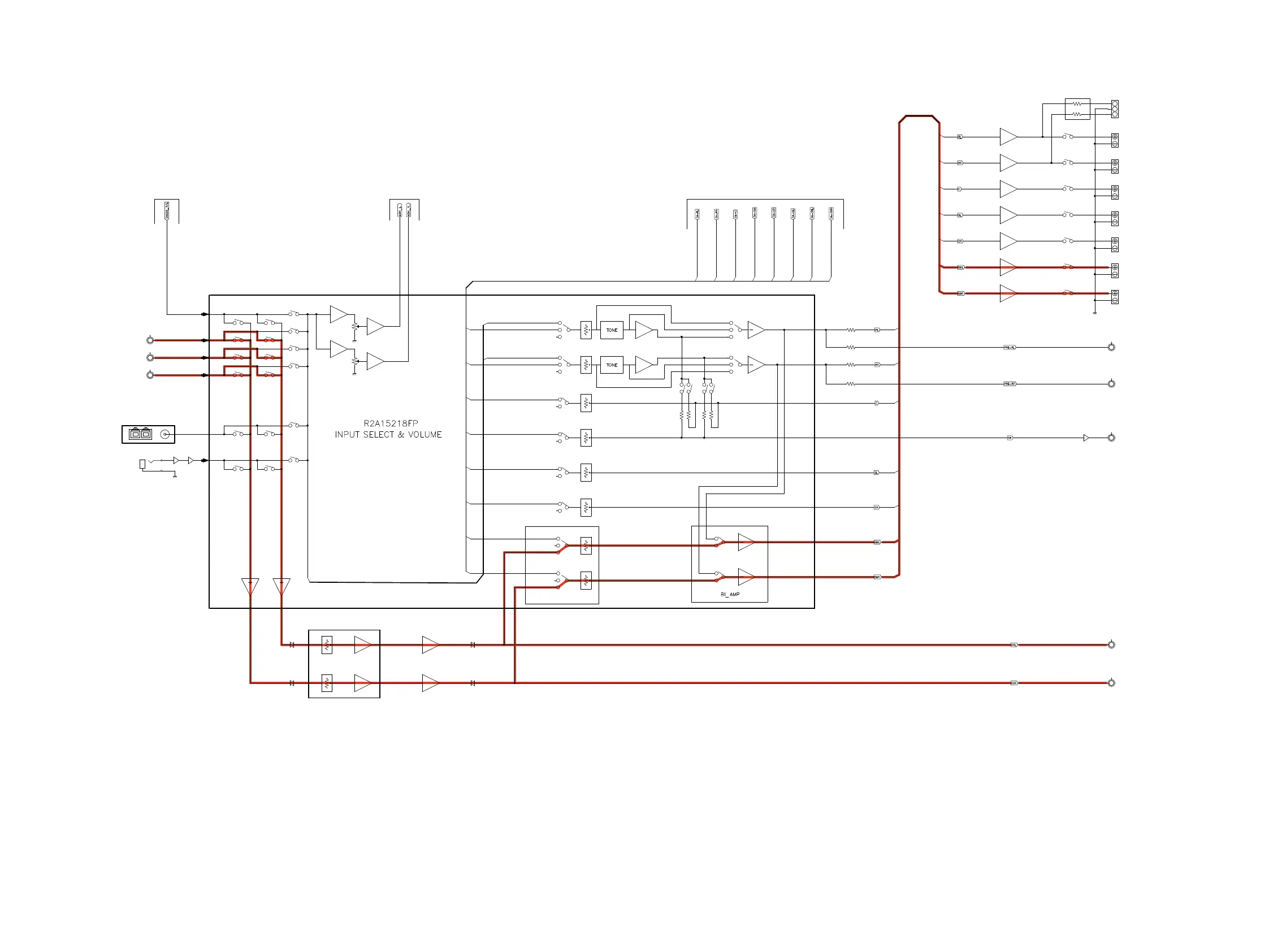
NR1605 ANALOG AUDIO DIAGRAM
fig.12
45

Table of Contents

Related product manuals