EasyManua.ls Logo

Marantz NR1606/U1B - Diagnostic Path Diagram fig.01; Analog Audio Diagram

Marantz NR1606/U1B
176 pages
Print Icon
To Next Page IconTo Next Page
To Next Page IconTo Next Page
To Previous Page IconTo Previous Page
To Previous Page IconTo Previous Page
Loading...
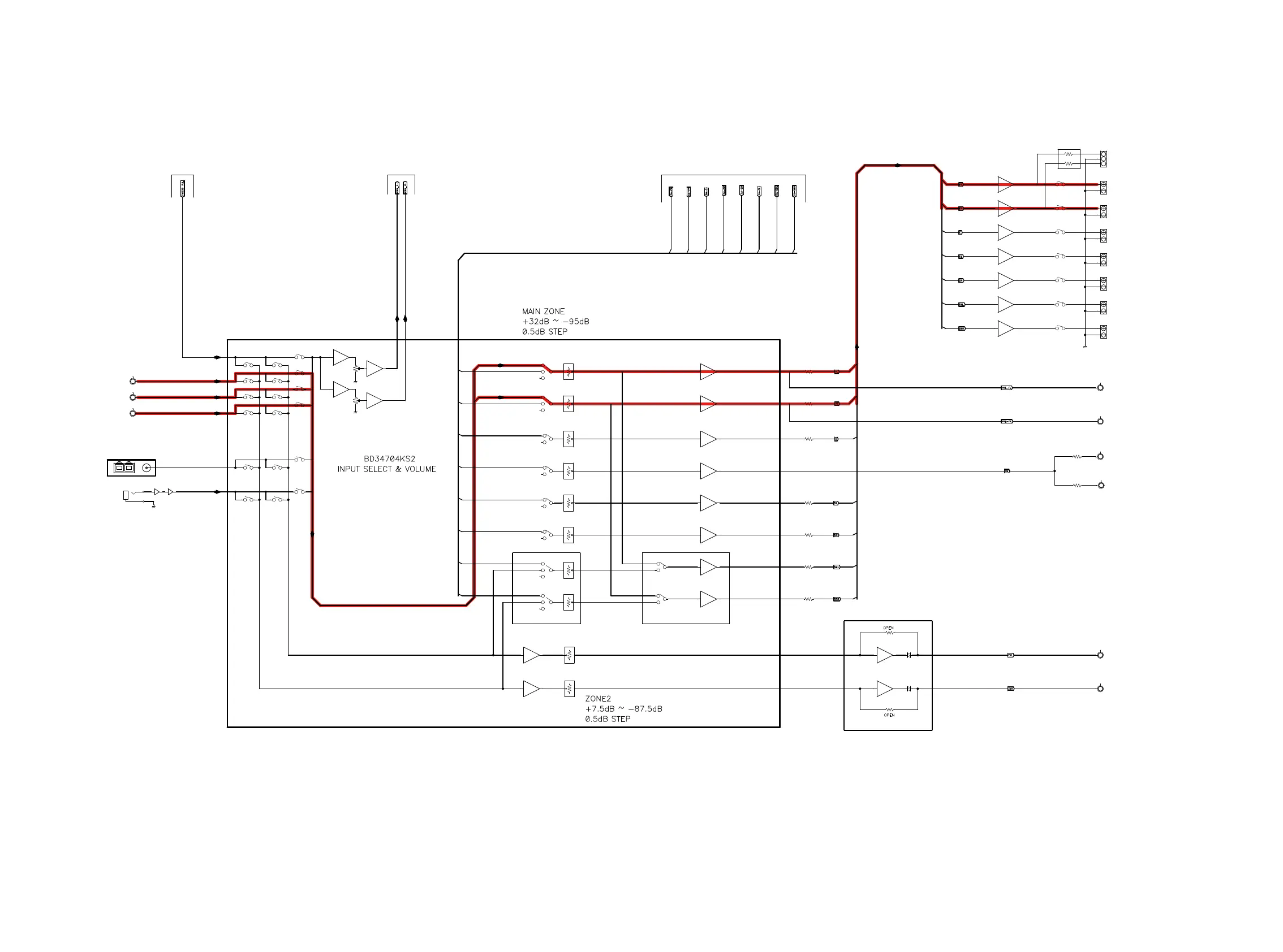
DIAGNOSTICPATHDIAGRAM
SBR
SBL
SR
SL
C
FR
FL
Z2L
FL
FR
SR
SL
C
FR
FL
ADINR
CD
DM920_R/L
ZONE_R
DSP_SBL
DSP_SL
DSP_SW
DSP_FR
ATT
SW2
H/P-L
DSP_SBR
ZONE_L
DSP_SR
DSP_C
ANA_FR
DSP_FL
ANA_FL
Bi-AMP
Z2R
SW1
H/P-R
ADINL
MIC(Mini Jack)
FM/AM
ZONE2 OUT
TUNER
SAT_CBL
DVD
ANALOG
INPUT
fig.01
TO DIGITAL AUDIO BLOCK
2.2ch PREOUT
SPK OUT
HEADPHONE OUT
ZONE2->SB ASSIGN
TO DIGITAL AUDIO BLOCKTO DIGITAL AUDIO BLOCK
ZONE2 GAIN : 8.5dB
SBR(FR-B/FR-H/BI-AMP/ZONE)
SBL(FL-B/FL-H/BI-AMP/ZONE)
ANALOG AUDIO DIAGRAM
26

Table of Contents

Related product manuals