EasyManua.ls Logo

Marantz NR1606/U1B - Page 32

Marantz NR1606/U1B
176 pages
Print Icon
To Next Page IconTo Next Page
To Next Page IconTo Next Page
To Previous Page IconTo Previous Page
To Previous Page IconTo Previous Page
Loading...
FR
SR
SL
C
FR
FL
SR
SL
C
FR
FL
ATT
FL
ADINR
SAT_CBL
DVD
DSP_SR
DSP_SL
DSP_C
ANA_FL
Bi-AMP
Z2R
Z2L
SW2
SW1
H/P-R
H/P-L
CD
DM920_R/L
DSP_SW
DSP_FR
ANA_FR
DSP_FL
SBR
SBL
ADINL
DSP_SBR
ZONE_L
ZONE2 GAIN : 8.5dB
FM/AM
MIC(Mini Jack)
ANALOG
INPUT
fig.04b
ZONE_R
DSP_SBL
TO DIGITAL AUDIO BLOCK
2.2ch PREOUT
SPK OUT
HEADPHONE OUT
TUNER
ZONE2 OUT
ZONE2->SB ASSIGN
SBL(FL-B/FL-H/BI-AMP/ZONE)
TO DIGITAL AUDIO BLOCKTO DIGITAL AUDIO BLOCK
SBR(FR-B/FR-H/BI-AMP/ZONE)
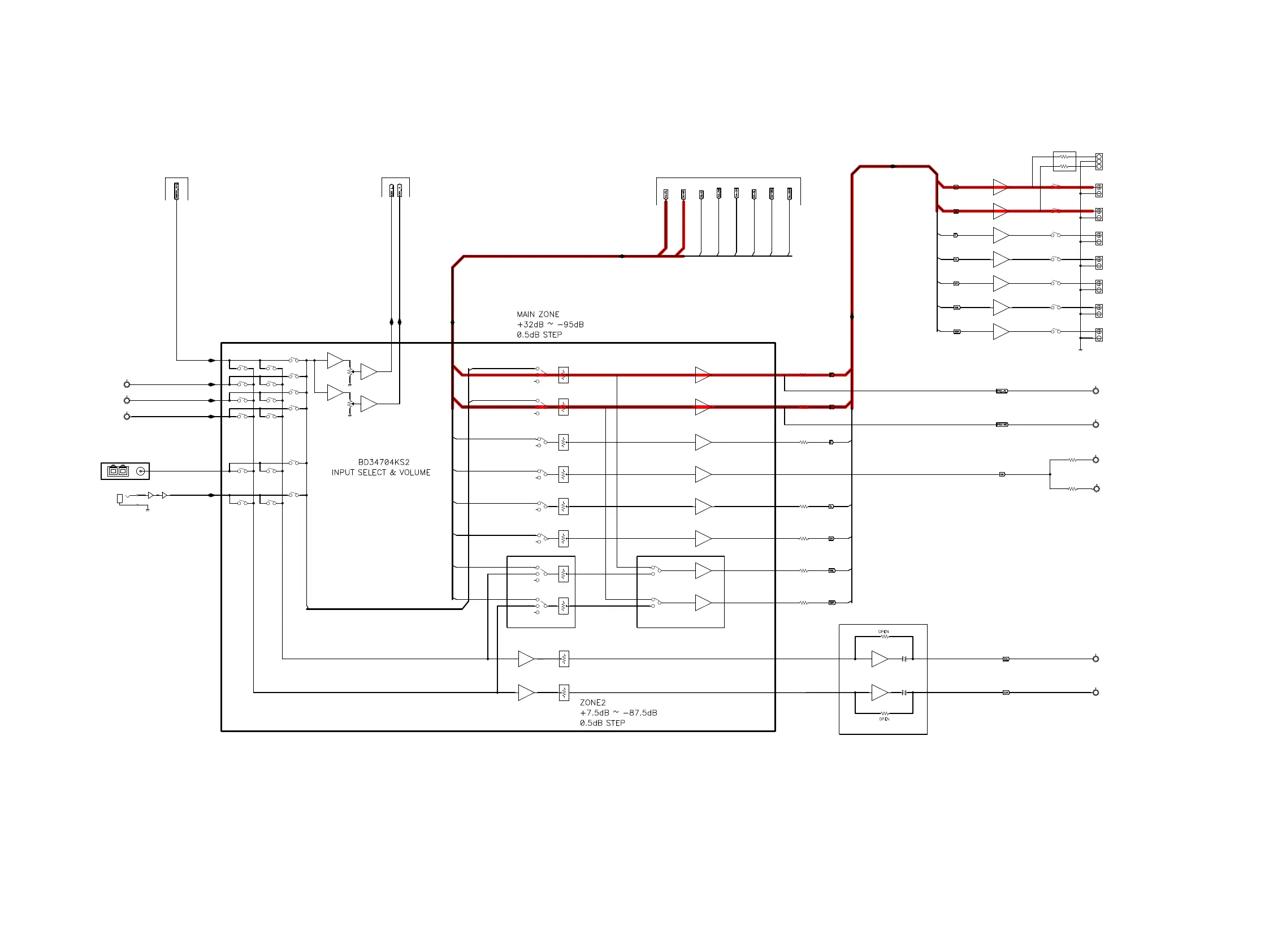
ANALOG AUDIO DIAGRAM
32

Table of Contents

Related product manuals