EasyManua.ls Logo

Marantz NR1606/U1B - Page 34

Marantz NR1606/U1B
176 pages
Print Icon
To Next Page IconTo Next Page
To Next Page IconTo Next Page
To Previous Page IconTo Previous Page
To Previous Page IconTo Previous Page
Loading...
CD
ADINL
DM920_R/L
ZONE_R
DSP_SBL
DSP_SW
DSP_FR
ANA_FR
SBR
SBL
SR
SL
C
FR
FL
ATT
Z2L
SW2
FL
DSP_SBR
DSP_SR
ZONE_L
DSP_SL
DSP_C
DSP_FL
ANA_FL
Bi-AMP
Z2R
SW1
FR
SR
SL
C
FL
FR
H/P-R
H/P-L
ADINR
FM/AM
MIC(Mini Jack)
TUNER
DVD
SAT_CBL
ANALOG
INPUT
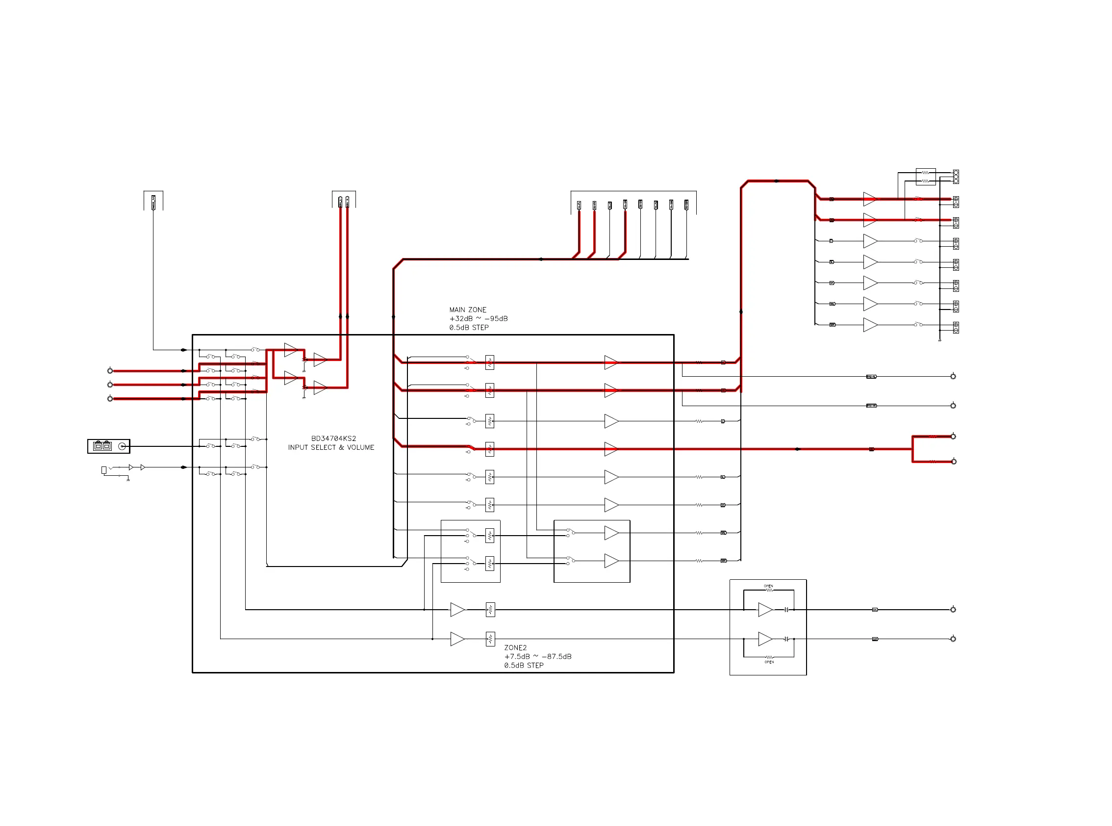
fig.05b
TO DIGITAL AUDIO BLOCK
2.2ch PREOUT
SPK OUT
HEADPHONE OUT
ZONE2 OUT
ZONE2->SB ASSIGN
TO DIGITAL AUDIO BLOCKTO DIGITAL AUDIO BLOCK
ZONE2 GAIN : 8.5dB
SBR(FR-B/FR-H/BI-AMP/ZONE)
SBL(FL-B/FL-H/BI-AMP/ZONE)
ANALOG AUDIO DIAGRAM
34

Table of Contents

Related product manuals