EasyManua.ls Logo

Marantz NR1606/U1B - Page 38

Marantz NR1606/U1B
176 pages
Print Icon
To Next Page IconTo Next Page
To Next Page IconTo Next Page
To Previous Page IconTo Previous Page
To Previous Page IconTo Previous Page
Loading...
Cb
Y
Cb
Y
V02
OUT
Cr
Cr
CLK
V01
HDMI6
HDMI5
USBD+
TX+/-
RX+/-
VIN1
VIN2
VIN3
COMP1-Y
(VD0-VD7)
IN0
IN1
IN2
IN3
OUT0
OUT0
OUT
IN2
IN1
Cb
Y
IN2
(DVD)
HDMI4
HDMI2
HDMI1
USBD-
VIN5
COMP2-Cr
COMP1-Cr
COMP2-Cb
COMP1-Cb
COMP2-Y
IN1
IN0
IN3
IN2
OUT1
OUT1
INA
IND
TMDS OUT
OUT
TMDS OUT
IN0
Cr
IN2
(DVD)
HDMI7
HDMI3
VIN4
COMP2-Y
USB FRONT
64P PIN
8bit Data
TMDS IN
TMDS IN
TMDS IN
COMP2-Cr
COMP2-Cb
IN1
(CBL/SAT)
COMP1-Cr
COMP1-Cb
COMP1-Y
FRONT HDMI
INPUT SELECT
TMDS IN
HDMI2.0 RX
MN864788
(2.2 4 INPUTS)
A3R12E40CBF
HDMI i/p Scaler_TX_OSD
ADV8003-8B
(AD55-058Z-0)
OSD
MX25L12835FMI
HDMI2.0 TX
MN864788
TMDS OUTPUT
IN1
(CBL/SAT)
IN3
(Blu-ray)
64P PIN
RJ-45
WiFi BT ANT
ADV8195
BUFFER
HDMI2.0 RX
MN864788
(2.2 4 INPUTS)
HDMI RECEIVER
VIDEO DECODER
ADV7850
GND
DATA-
VBUS
DATA+
CY920 MODULE
CVBS IN
A3R12E40CBF
HDMI IN
HDMI OUT
COMPONENT IN
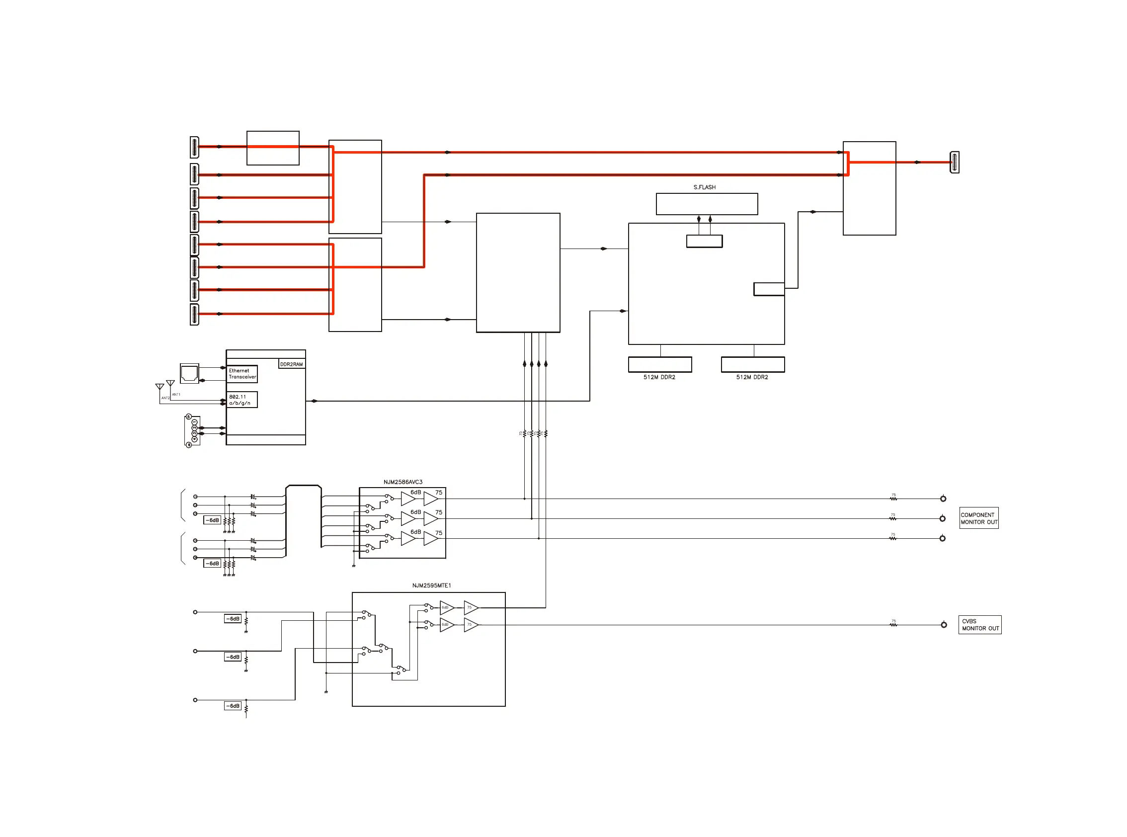
VIDEO DIAGRAM
fig.09
38

Table of Contents

Related product manuals