EasyManua.ls Logo

Marantz SR5010/U1B - Power Diagram

Marantz SR5010/U1B
185 pages
Print Icon
To Next Page IconTo Next Page
To Next Page IconTo Next Page
To Previous Page IconTo Previous Page
To Previous Page IconTo Previous Page
Loading...
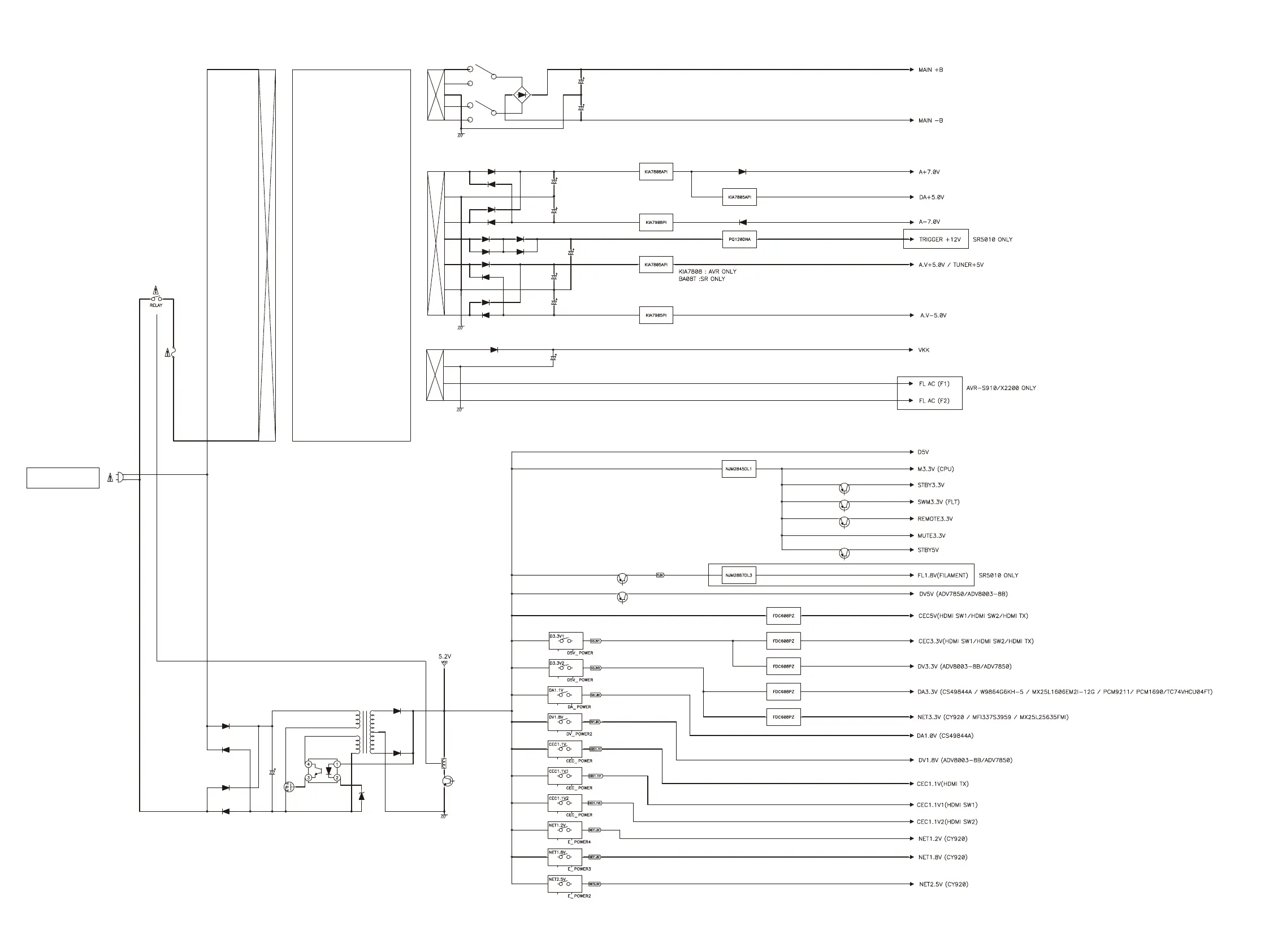
POWER DIAGRAM
S2(+8V,-8V)
MAIN TRANS
S1(AMP +B)
MAIN PWR ON
VCC DIAGRAM
AC CORD
100

Table of Contents

Related product manuals