EasyManua.ls Logo

Marantz SR5010/U1B - Page 28

Marantz SR5010/U1B
185 pages
Print Icon
To Next Page IconTo Next Page
To Next Page IconTo Next Page
To Previous Page IconTo Previous Page
To Previous Page IconTo Previous Page
Loading...
SL
FR
FL
SBL
SR
C
DSP_FR
DSP_SR
DSP_SBL
DSP_SBR
SR
C
Z2R
Z2L
SL
FR
FL
FR
FL
AUX1
GAME
EXT_SBR
ZONE2_L
DSP_SBL
EXT_SR
DSP_SW
EXT_C
DSP_FR
EXT_FL
ANA_FL
ATT
SR
SL
C
SL
SBL
SR
SBR
C
SW
DVD
CD
CBL/SAT
DSP_SBR
ZONE2_R
EXT_SBL
DSP_SR
DSP_SL
EXT_SL
EXT_SW
ANA_FR
EXT_FR
DSP_C
DSP_FL
DSP_FL
DSP_SW
DSP_C
DSP_SL
SBR
SBL
SBR
SW2
SW1
FR
FL
H/P-L
H/P-R
PREOUT
7.1CH
EXT.IN
SBR(FR-B/FR-H/BI-AMP/ZONE)
SBL(FL-B/FL-H/BI-AMP/ZONE)
MIC(Mini Jack)
ALL MODEL : FM/AM
FRONT
INPUT
ANALOG
INPUT
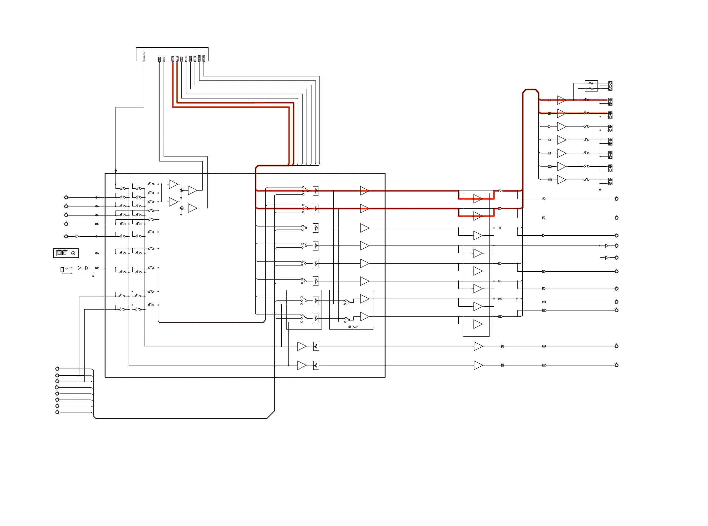
HDAM &Current FB
ZONE2 OUT
SPK OUT
HEADPHONE OUT
TUNER
VOLUME IC
BD34704KS2
TO DIGITAL AUDIO BLOCK
ANALOG AUDIO DIAGRAM
fig.02b
28

Table of Contents

Related product manuals