EasyManua.ls Logo

Marathon Electric DVR 2000E+ - Page 34

Marathon Electric DVR 2000E+
80 pages
Print Icon
To Next Page IconTo Next Page
To Next Page IconTo Next Page
To Previous Page IconTo Previous Page
To Previous Page IconTo Previous Page
Loading...
34
Marathon Electric (a division of RBC Manufacturing Corp.) reserves the right to change specications and this manual without notice.
Revised 06/2011
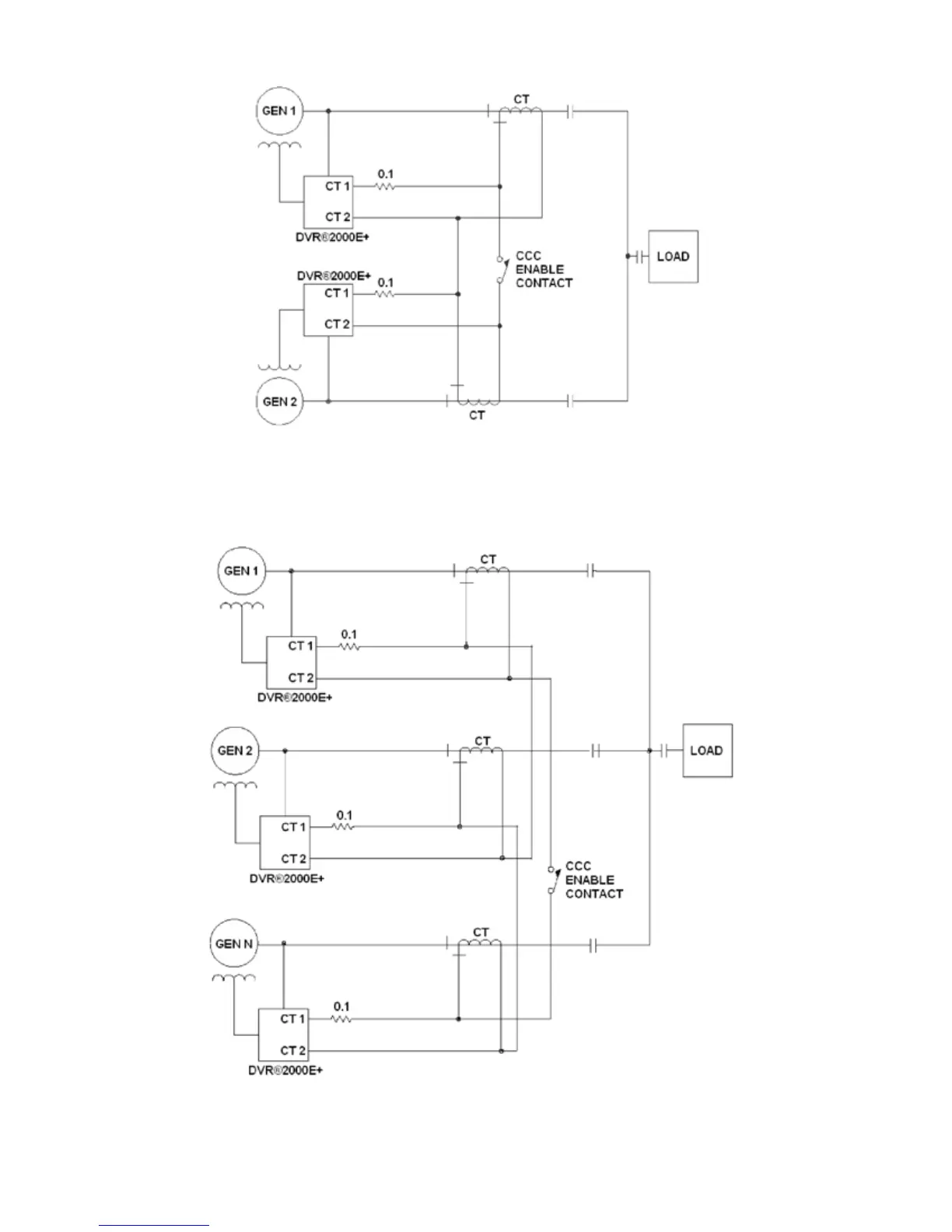
Figure 4-11. Cross-Current (Reactive Differential) Connections for Two Generators
Figure 4-12. Cross-Current (Reactive Differential) Connections for
Three or More Generators

Table of Contents

Other manuals for Marathon Electric DVR 2000E+

Related product manuals