EasyManua.ls Logo

Marus CL1000 - Electrical Schematics

Marus CL1000
32 pages
Print Icon
To Next Page IconTo Next Page
To Next Page IconTo Next Page
To Previous Page IconTo Previous Page
To Previous Page IconTo Previous Page
Loading...
24
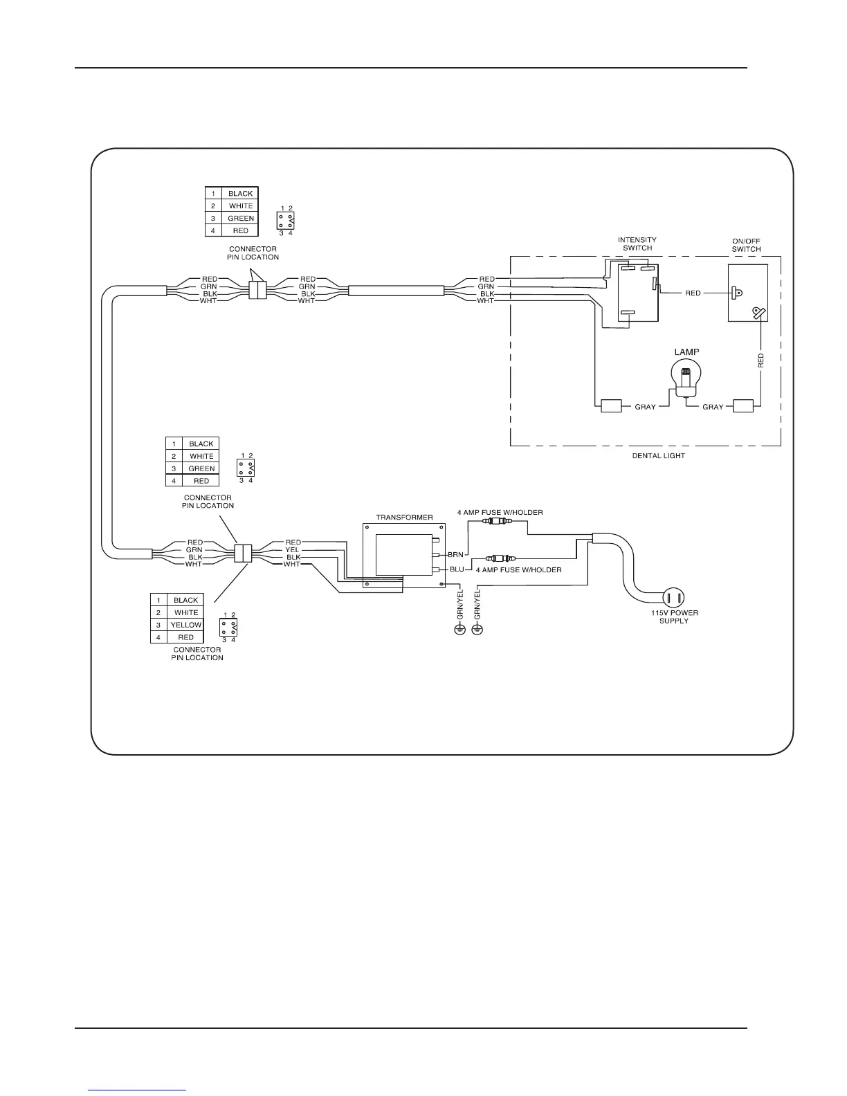
Electrical Schematics
CL1000 Ceiling Light - 115V
0V
115V
230V

Related product manuals