EasyManua.ls Logo

Maytag MXR40 - Page 120

Maytag MXR40
124 pages
Print Icon
To Next Page IconTo Next Page
To Next Page IconTo Next Page
To Previous Page IconTo Previous Page
To Previous Page IconTo Previous Page
Loading...
6-2
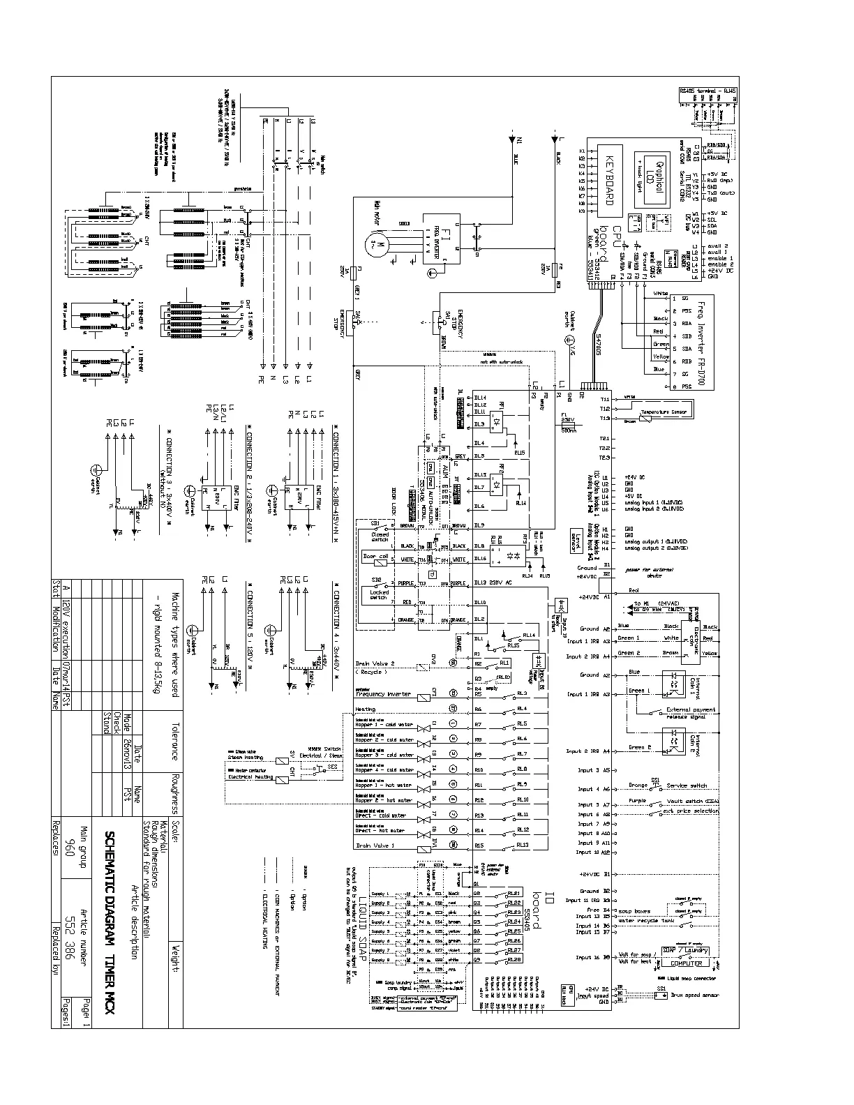
WIRING DIAGRAM - MXR20 - 30

Table of Contents

Other manuals for Maytag MXR40

Related product manuals