EasyManua.ls Logo

Maytag Washer - Maytag Dryer Wiring Diagram - Gas

Maytag Washer
56 pages
Print Icon
To Next Page IconTo Next Page
To Next Page IconTo Next Page
To Previous Page IconTo Previous Page
To Previous Page IconTo Previous Page
Loading...
PAGE 27
FOR SERVICE TECHNICIAN’S USE ONLY
DO NOT REMOVE OR DESTROY
MYST VALVE
510-590 Ω
MOISTURE
SENSOR
3.3-3.6 Ω
2.7-3.0 Ω
BK
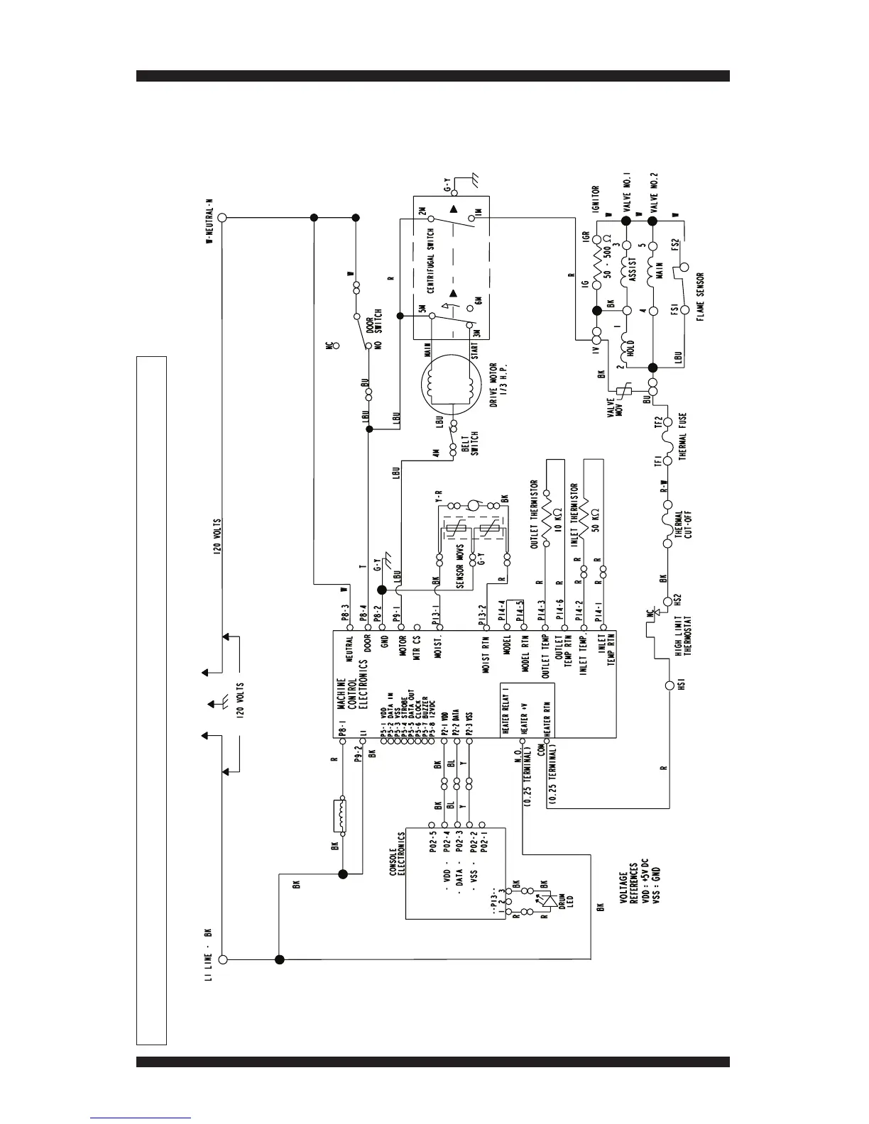
MAYTAG DRYER WIRING DIAGRAM – GAS
IMPORTANT: Electrostatic discharge may cause damage to machine control electronics. See page 1 for ESD information.
Figure 31 - Gas Wiring Diagram.

Other manuals for Maytag Washer

Related product manuals