EasyManua.ls Logo

Maytag Washer - Page 56

Maytag Washer
56 pages
Print Icon
To Previous Page IconTo Previous Page
To Previous Page IconTo Previous Page
Loading...
POUR LE TECHNICIEN SEULEMENT
PAGE 56
NE PAS ENLEVER NI DÉTRUIRE
03/11
IMPORTANT : Une décharge d’électricité statique peut faire subir des dommages aux circuits électroniques. Pour les détails, voir la page 29.
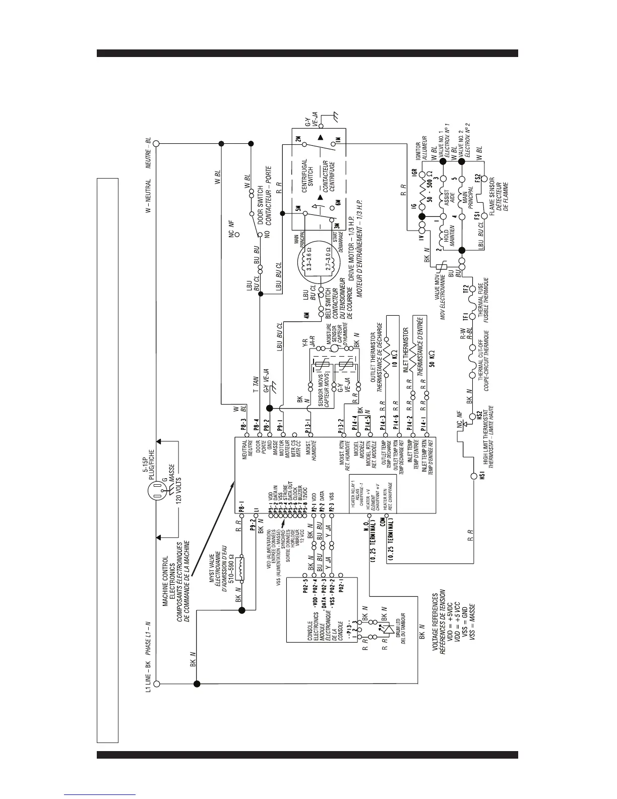
SCHÉMA DE CÂBLAGE DE SÉCHEUSE MAYTAG – À GAZ
Figure 31 - Schéma de câblage à gaz (Canada).

Other manuals for Maytag Washer

Related product manuals