EasyManua.ls Logo

McIntosh MC275 - Block Diagram

McIntosh MC275
22 pages
Print Icon
To Next Page IconTo Next Page
To Next Page IconTo Next Page
To Previous Page IconTo Previous Page
To Previous Page IconTo Previous Page
Loading...
MC275
5 6
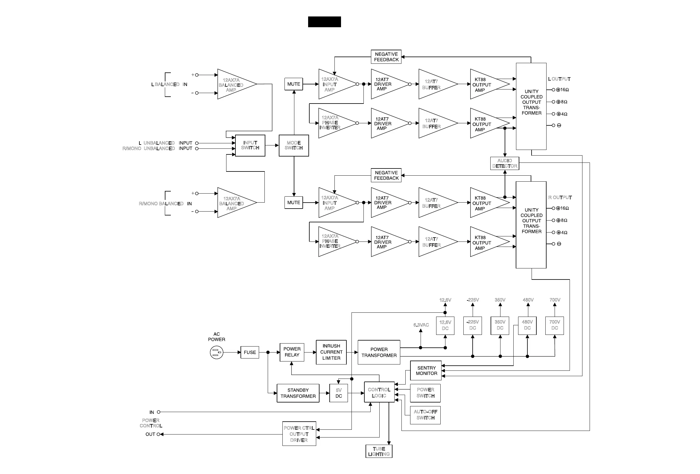
BLOCK DIAGRAM
12AT7
BUFFER
12AT7
BUFFER
12AX7A
INPUT
AMP
12AX7A
PHASE
INVERTER
POWER
SWITCH
CONTROL
LOGIC
POWER
CONTROL
5V
AUTO-OFF
SWITCH
L OUTPUT
+
+
+
_
INPUT
SWITCH
MODE
SWITCH
12AT7
BUFFER
12AT7
BUFFER
12AX7A
INPUT
AMP
12AX7A
PHASE
INVERTER
R OUTPUT
+
+
+
_
AUDIO
DETECTOR
12.6V
-225V 350V 480V 700V
12.6V
DC
-225V
DC
350V
DC
480V
DC
700V
DC
6.3VAC
L BALANCED
L UNBALANCED
R/MONO UNBALANCED
R/MONO BALANCED
12AX7A
BALANCED
AMP
12AX7A
BALANCED
AMP
POWER CTRL
OUTPUT
DRIVER
TUBE
LIGHTING

Other manuals for McIntosh MC275

Related product manuals