EasyManua.ls Logo

McIntosh MX130 - Page 29

McIntosh MX130
42 pages
Print Icon
To Next Page IconTo Next Page
To Next Page IconTo Next Page
To Previous Page IconTo Previous Page
To Previous Page IconTo Previous Page
Loading...
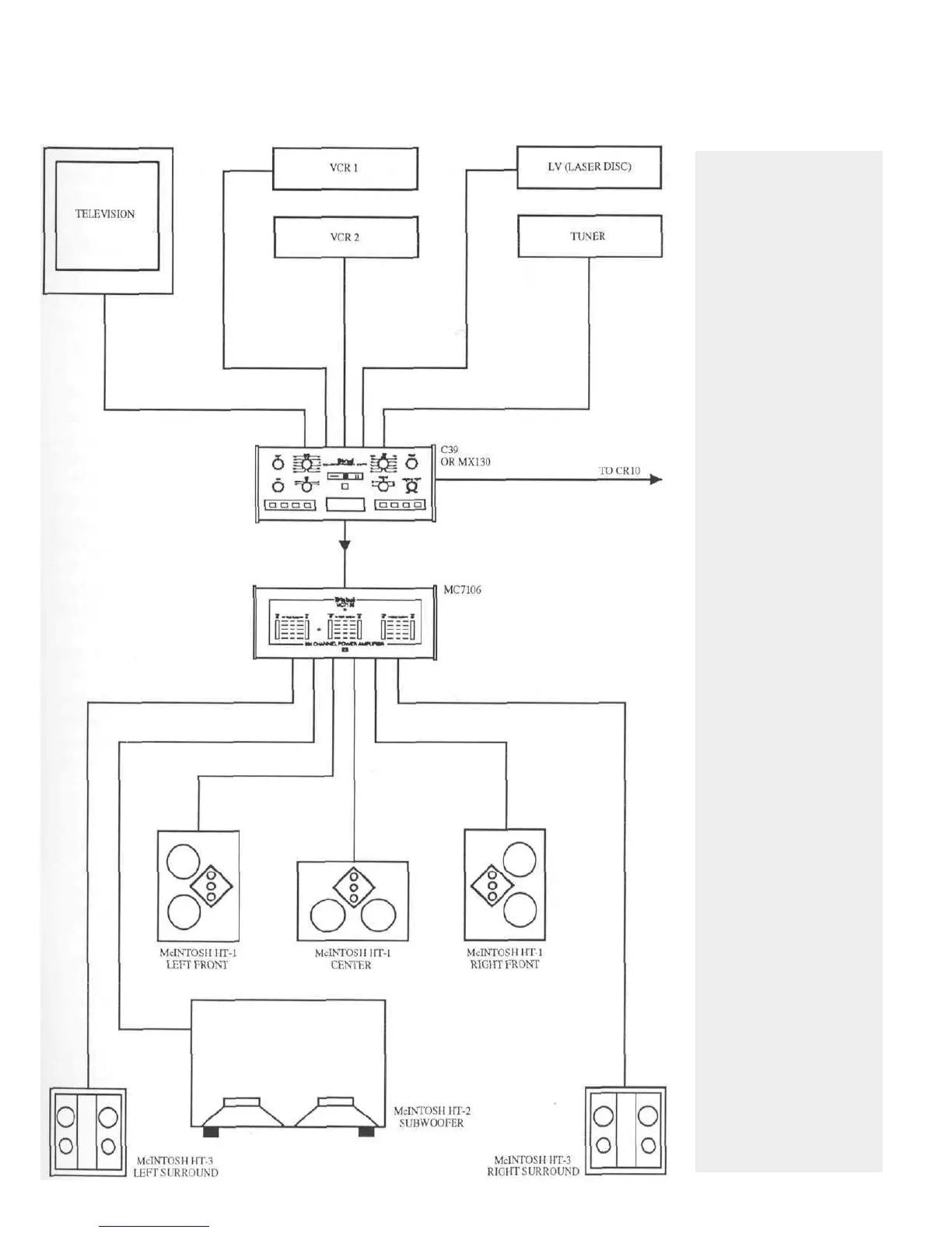
MclNTOSH
HOME
THEATER
HOOKUP
27

Table of Contents

Related product manuals