EasyManua.ls Logo

McQuay AC 40A - Page 21

McQuay AC 40A
189 pages
Print Icon
To Next Page IconTo Next Page
To Next Page IconTo Next Page
To Previous Page IconTo Previous Page
To Previous Page IconTo Previous Page
Loading...
In this method, the load side of the system is isolated from the chiller side. Chillers of different
capacities can be installed together without much balancing problems and effect on the supply
flow rate to the loading. It just requires individual balancing of the flow rate through each chiller by
using the balancing valves. Check valves and balancing valves are recommended to be installed
for each chiller supply pipe.
The secondary pump alone will handle the flow and pressure requirements of the loads.
Because of this secondary pump, the sequencing of the chillers will not affect the
water supply to the load when any of the primary pumps switches off. Several secondary
pumps can also be installed to the bypass loop to serve several zones. This creates
flexibility of installation.
The only drawback to this method is cost. The piping network is more extensive and
additional water pumps are required.
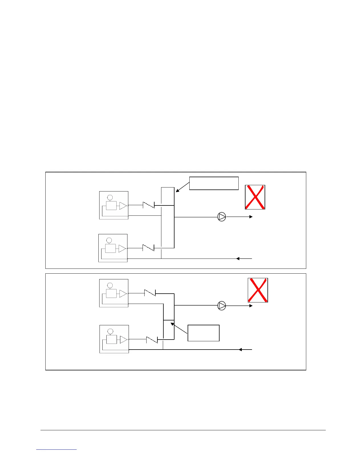
It is important that the bypass loop is located correctly. The following two are questionable
variations to the above method:
By pass loop
By pass
[A]
[B]
Secondary pump
Secondary pump
To load
To load
Return from load
Return from load
Section 2 Page 19