EasyManua.ls Logo

McQuay AC 40A - Page 4

McQuay AC 40A
189 pages
Print Icon
To Next Page IconTo Next Page
To Next Page IconTo Next Page
To Previous Page IconTo Previous Page
To Previous Page IconTo Previous Page
Loading...
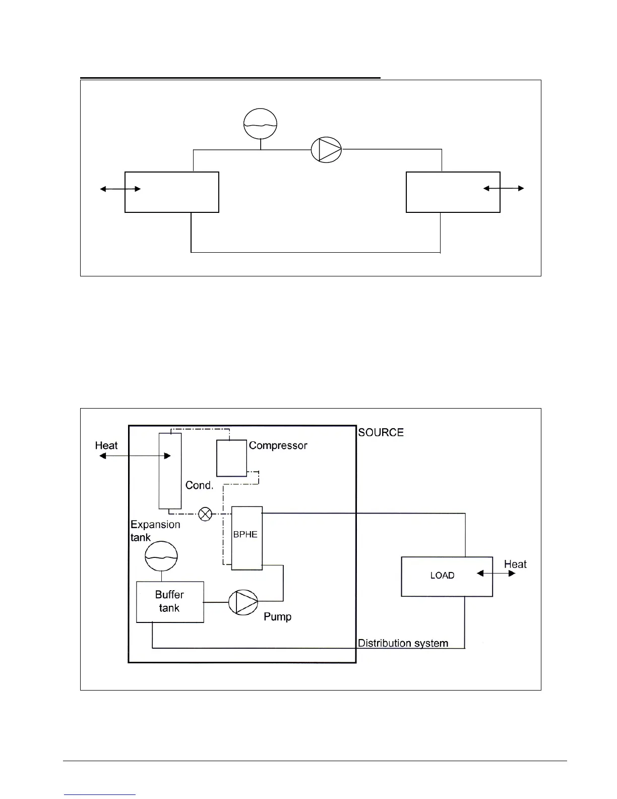
Schematic diagram of the basic close hydronic system:
Expansion
tank
Heat Pump Heat
Distribution system
SOURCE LOAD
In the mini chiller, the source will comprise of the refrigeration circuit, i.e. compressor, expansion
device, condenser and evaporator. A brazed plate heat exchanger (BPHE) is used as the
evaporator to produce the chilled water.
A built-in water tank is also provided in the mini chiller to act as a buffer storage. See next page.
For integration, both the expansion tank and pump are incorporated together into the mini chiller.
Hence, the schematic diagram of the system becomes as follows:
Introduction Page 2

Related product manuals