EasyManua.ls Logo

MCS BV 170E - Système Électrique; Schéma Électrique Et Panneau Électrique; Représentation du Panneau Électrique

Default Icon
104 pages
Print Icon
To Next Page IconTo Next Page
To Next Page IconTo Next Page
To Previous Page IconTo Previous Page
To Previous Page IconTo Previous Page
Loading...
13
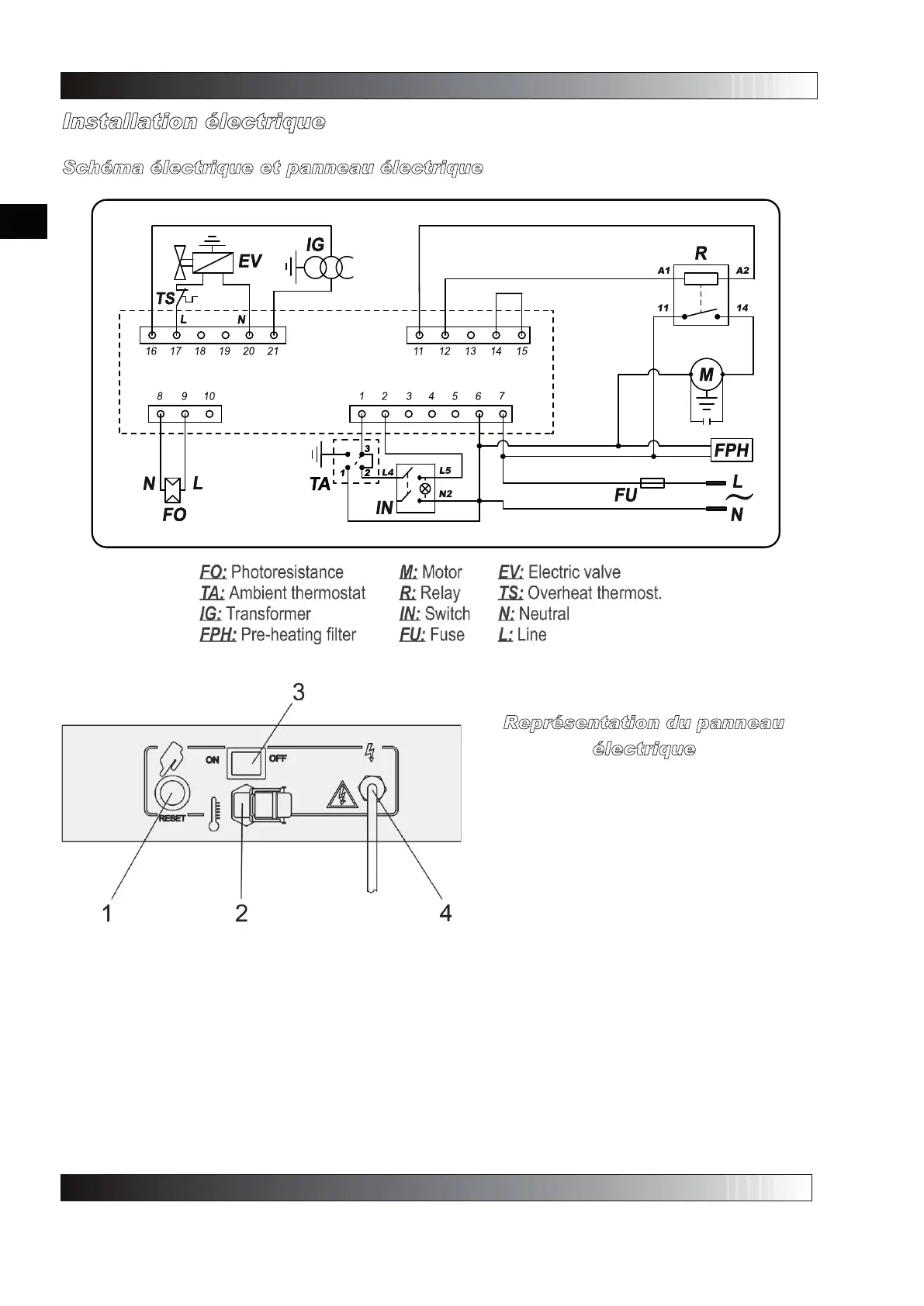
Installation électrique
Schéma électrique et panneau électrique
La figure ci-dessus montre le système électrique dans lequel a pour but de mettre en évidence la façon dont
ils ont été connectés tous les différents organes impliqués dans le bon fonctionnement de la machine.
Remaruer l'apparition du filtre avec préchauffage dessiné avec une ligne en pointillé; cette raison, étant
présent en option, elle n'est pas présente dans le système électrique standard. Ainsi, si la machine est
équipé d'un filtre de préchauffage, il se distingue par le fait que la ligne en pointillé remplace le pont entre les
bornes 4 et 6 de l'appareil de contrôle de la flamme.
En dessous du scma électrique apparaît le panneau électrique de la machine, où vous pourrez
distinguer les composants qui communiquent avec l'utilisateur. Vous remarquerez que le câble
d'alimentation, dont la longueur est de 3 mètres, le voyant rouge qui indique la présence de tension,
l'interrupteur 0-1 pour allumer ou éteindre la machine, le boîtier à angle pour le raccord du thermostat
ambiant si vous souhaitez garder la température d'une pièce dans une certaine plage, et enfin le bouton
de réinitialisation pour réinitialiser manuellement la machine après une erreur ayant entraîné le blocage
de l'appareillage.
Représentation du panneau
électrique
1. Bouton pour réinitialiser manuellement le
chauffage, 2. Prise pour la connexion d'un
thermostat ambiant, 3. Interrupteur 0-1, 4.
Câble d'alimentation.
en
it
de
es
fr
nl
pt
da
no
sv
pl
ru
cs
hu
sl
tr
hr
lt
lv
et
ro
sk
bg
uk
bs
el
zh

Table of Contents

Related product manuals